Ещё одна интерестная модель Ford Scorpio 1985 — 1994 года выпуска. Схождение – это расстояние между передней и задней частью передних колес. Этот угол обычно положительный, так как из-за угла наклона колеса развала и сопротивления качению колеса стремятся развернуться наружу. Угол наклона колеса и продольный угол наклона оси поворота уменьшают передачу ударов и вибрации от неровностей дороги на рулевое управление. Угол наклона колеса – это угол, на который колесо отклоняется от вертикальной плоскости. Продольный угол наклона оси поворота – это угол, на который наклонена стойка передней подвески, что оказывает существенное влияние при движении по прямой.
Схема контура зарядки и запуска двигателя
Эл.схема контура системы управления двигателем 2,8 дм3
Схема контура наружного освещения на Форд Скорпио
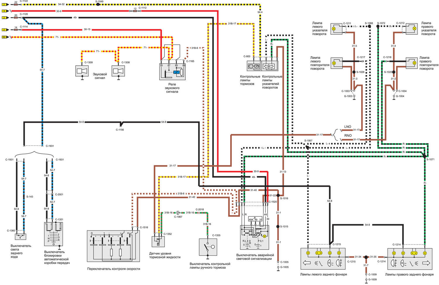
Схема электрического контура сигнализации, поворотов и контроля систем на
Ford Scorpio
Схема контура внутреннего освещения
Эл.схема контура привода стеклоочистителей и стеклоомывателей
Схема контура антиблокировочной системы тормозов ABS на Форд Скорпио
Схема контура подключения радиоприемника на Ford Scorpio










