Здесь вы найдете максимально интересных схем электрооборудования на УАЗ 31519 он HUNTER 2003 г.в. УАЗ «Хантер» представляет собой дальнейшее развитие второго поколения ульяновских внедорожников УАЗ-469 и УАЗ-3151. В базовой версии автомобиль оснащён закрытым пятидверным кузовом с металлическим верхом, но в семействе предусмотрена и версия с кузовом универсал-фаэтон со складываемым матерчатым верхом на съёмных дугах.
Электросхема соединения системы управления двигателем мод. ЗМЗ-5143.10
1 — электронный блок управления двигателем; 2 — датчик положения коленчатого вала; 3 — датчик положения рычага ТНВД; 4 — клапан останова топливоподачи; 5 — датчик температуры охлаждающей жидкости; 6 — электромагнитный клапан управления рециркуляцией; 7 — соединительная колодка; 8 — аккумуляторная батарея; 9 — диагностический разъем; 10 — реле топливоподкачивающего насоса; 11 — электрический топливоподкачивающий насос; 12 — фильтр тонкой очистки топлива; 13 — реле подогрева топлива; 14 — реле свечей накаливания; 15 — свечи накаливания; НL 1 — сигнальная лампа <ПРОВЕРЬТЕ ДВИГАТЕЛЬ>; НL 2 — сигнальная лампа аварийного падения давления масла; НL 3 — контрольная лампа температуры охлаждающей жидкости; НL 4 — сигнальная лампа разряда аккумуляторной батареи
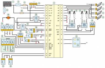
Эл.схема соединения системы управления двигателем мод. ЗМЗ-409 (Евро-2)
1 — аккумуляторная батарея; 2 — выключатель (замок) зажигания; 3, 29 — плавкие предохранители; 4 — диагностическая колодка; 5 — электронный блок управления двигателем; 6, 7, 8, 9 — топливные форсунки; 10 — регулятор холостого хода; 11, 12 — катушки зажигания; 13, 14, 15, 16 — свечи зажигания; 17 — комбинация приборов; 18 — тахометр; 19 — сигнальная лампа <ПРОВЕРЬТЕ ДВИГАТЕЛЬ>; 20 — датчик температуры воздуха во впускной трубе; 21 — датчик температуры охлаждающей жидкости; 22 — датчик массового расхода воздуха; 23 — датчик детонации; 24 — датчик положения дроссельной заслонки; 25 — датчик положения распределительного вала; 26 — датчик положения коленчатого вала; 27 — реле топливного насоса; 28 — главное реле системы управления двигателем; 30 — топливный насос; 31 — выключатель <массы>
Схема соединения системы управления двигателем мод. ЗМЗ-409 (Евро-0) на УАЗ
1 — аккумуляторная батарея; 2 — выключатель (замок) зажигания; 3, 31 — плавкие предохранители; 4 — диагностическая колодка; 5 — электронный блок управления двигателем; 6, 7, 8, 9 — топливные форсунки; 10 — электромагнитный клапан продувки адсорбера; 11 — регулятор холостого хода; 12, 13, 15, 17 — свечи зажигания; 14, 16 — катушки зажигания; 18 — комбинация приборов; 19 — тахометр; 20 — сигнальная лампа <ПРОВЕРЬТЕ ДВИГАТЕЛЬ>; 21 — соединительная колодка; 22 — датчик температуры воздуха во впускной трубе; 23 — датчик температуры охлаждающей жидкости; 24 — датчик массового расхода воздуха; 25 — датчик детонации; 26 — датчик положения дроссельной заслонки; 27 — датчик положения распределительного вала; 28 — датчик положения коленчатого вала; 29 — реле топливного насоса; 30 — главное реле системы управления двигателем; 32 — топливный насос; 33 — выключатель <массы>
Схема электрооборудования автомобилей мод. 31519-095, 31519-195
1 — фонарь передний правый; 2 — фара правая; 3 — фара противотуманная правая; 4 — сигнал звуковой; 5 — фара противотуманная левая; 6 — фара левая; 7 — фонарь передний левый; 8 — генератор; 9 — датчик температуры охлаждающей жидкости; 10 — датчик аварийного давления масла; 11 — датчик давления масла; 12 — датчик аварийной температуры охлаждающей жидкости; 13 — электроомыватель; 14 — выключатель контрольной лампы неисправности тормозной системы; 15 — стартер; 16 — аккумуляторная батарея; 17 — выключатель <массы>; 18, 19 — блок предохранителей; 20 — реле стартера; 21 — подкапотная лампа; 22 — блок силовых предохранителей; 23 — плафон освещения блока предохранителей; 24 — боковой указатель поворота правый; 25 — прерыватель стеклоочистителя; 26 — боковой указатель поворота левый; 27 — реле противотуманного фонаря; 28 — выключатель стоп-сигнала; 29 — электродвигатель отопителя; 30 — стеклоочиститель; 31 — сопротивление отопителя; 32, 33 — реле переключения света фар; 34 — реле противотуманных фар; 35 — реле прерывистой работы омывателя двери задка; 36 — щиток приборов; 37 — спидометр электронный; 38 — розетка штепсельная; 39 — контрольная лампа резервного сигнализатора; 40 — контрольная лампа включения дальнего света фар; 41 — контрольная лампа указателей поворотов; 42 — контрольная лампа включения стояночного тормоза; 43 — контрольная лампа неисправности тормозной системы; 44 — контрольная лампа аварийного давления масла; 45 — контрольная лампа аварийной температуры охлаждающей жидкости; 46 — контрольная лампа разряда аккумуляторной батареи; 47, 48 — контрольная лампа резервного сигнализатора; 49 — реле указателей поворотов и аварийной сигнализации; 50 — выключатель контрольной лампы стояночного тормоза; 51 — переключатель отопителя; 52 — выключатель зажигания; 53 — реле выключателя зажигания; 54 — переключатель световой сигнализации; 55 — кнопка звукового сигнала; 56 — переключатель стеклоочистителя; 57 — переключатель датчиков уровня топлива; 58 — выключатель заднего противотуманного фонаря; 59 — выключатель аварийной сигнализации; 60 — плафон освещения салона; 61 — прикуриватель; 62 — выключатель плафона освещения салона; 63 — выключатель фонаря заднего хода; 64 — выключатель противотуманных фар; 65 — переключатель наружного освещения; 66 — реостат освещения приборов; 67 — датчик скорости; 68, 69 — датчик уровня топлива; 70 — очиститель стекла двери задка; 71 — омыватель стекла двери задка; 72 — фонарь задний правый; 73 — фонарь заднего хода; 74, 76 — фонарь освещения номерного знака; 75 — фонарь дополнительного сигнала торможения; 77 — задний противотуманный фонарь; 78 — фонарь задний левый; 79, 80, 81, 82 — свечи зажигания; 83 — датчик-распределитель; 84 — микропереключатель; 85 — электромагнитный клапан ЭПХХ; 86 — катушка зажигания; 87 — коммутатор транзисторный; 88 — блок ЭПХХ
Эл.схема оборудования автомобилей мод. 315195-025, 315195-125
1 — правый передний фонарь; 2 — правая фара; 3 — правая противотуманная фара; 4 — сигнал звуковой; 5 — левая противотуманная фара; 6 — левая фара; 7 — левый передний фонарь; 8 — генератор; 9 — датчик температуры охлаждающей жидкости; 10 — датчик аварийного падения давления масла; 11 — датчик давления масла; 12 — датчик аварийной температуры охлаждающей жидкости; 13 — электроомыватель; 14 — выключатель контрольной лампы неисправности тормозной системы; 15 — стартер; 16 — аккумуляторная батарея; 17 — выключатель «массы»; 18, 19 — блок предохранителей; 20 — реле стартера; 21 — лампа подкапотная; 22 — блок силовых предохранителей; 23 — плафон освещения блока предохранителей; 24 — повторитель боковой; 25 — прерыватель стеклоочистителя; 26 — повторитель боковой; 27 — реле противотуманного фонаря; 28 — выключатель стоп-сигнала; 29 — электродвигатель отопителя; 30 — стеклоочиститель; 31 — сопротивление отопителя; 32, 33 — реле переключения света фар; 34 — реле противотуманных фар; 35 — реле времени омывателя заднего стекла; 36 — щиток приборов; 37 — спидометр электронный; 38 — розетка штепсельная; 39 — сигнальная лампа <ПРОВЕРЬТЕ ДВИГАТЕЛЬ>; 40 — контрольная лампа включения дальнего света фар; 41 — контрольная лампа указателей поворотов; 42 — контрольная лампа включения стояночного тормоза; 43 — контрольная лампа неисправности тормозной системы; 44 — контрольная лампа аварийного давления масла; 45 — контрольная лампа аварийной температуры охлаждающей жидкости; 46 — контрольная лампа разряда аккумуляторной батареи; 47, 48 — контрольная лампа резервного сигнализатора; 49 — реле указателей поворотов и аварийной сигнализации; 50 — выключатель контрольной лампы стояночного тормоза; 51 — переключатель отопителя; 52 — выключатель зажигания; 53 — реле выключателя зажигания; 54 — переключатель световой сигнализации; 55 — кнопка звукового сигнала; 56 — переключатель стеклоочистителя; 57 — переключатель датчиков уровня топлива; 58 — выключатель заднего противотуманного фонаря; 59 — выключатель аварийной сигнализации; 60 — плафон освещения салона; 61 — прикуриватель; 62 — выключатель плафона освещения салона; 63 — выключатель фонаря заднего хода; 64 — выключатель противотуманных фар; 65 — выключатель наружного освещения; 66 — реостат освещения приборов; 67 — датчик скорости; 68 — электробензонасос с датчиком уровня топлива; 69 — датчик уровня топлива; 70 — стеклоочиститель задний; 71 — омыватель заднего стекла; 72 — фонарь задний; 73 — фонарь заднего хода; 74, 76 — фонарь освещения номерного знака; 75 — фонарь дополнительного сигнала торможения; 77 — задний противотуманный фонарь; 78 — фонарь задний; 79 — датчик расхода воздуха; 80 — датчик положения дроссельной заслонки; 81, 84 — датчик температуры; 82 — датчик положения распределительного вала; 83, 85, 88, 92 — топливные форсунки; 86 — регулятор дополнительного воздуха; 87 — датчик детонации; 89, 90 — катушки зажигания; 91 — датчик положения коленчатого вала; 93, 95 — реле; 94 — предохранитель плавкий 10 А; 96 — предохранитель плавкий 20 А; 97 — колодка диагностики 613012; 98 — ЭБУ двигателем; 99, 100, 101, 102 — свечи зажигания
Схема оборудования автомобилей мод. 315195-023, 315195-123
1 — правый передний фонарь; 2 — правая фара; 3 — левая противотуманная фара; 4 — звуковой сигнал; 5 — правая противотуманная фара; 6 — левая фара; 7 — левый передний фонарь; 8 — генератор; 9 — датчик температуры охлаждающей жидкости; 10 — датчик аварийного давления масла; 11 — датчик давления масла; 12 — датчик аварийной температуры охлаждающей жидкости; 13 — электроомыватель; 14 — выключатель контрольной лампы неисправности тормозной системы; 15 — стартер; 16 — аккумуляторная батарея; 17 — выключатель <массы>; 18, 19 — блок предохранителей; 20 — реле стартера; 21 — лампа подкапотная; 22 — блок силовых предохранителей; 23 — плафон освещения блока предохранителей; 24 — повторитель боковой; 25 — прерыватель стеклоочистителя; 26 — повторитель боковой; 27 — реле противотуманного фонаря; 28 — выключатель стоп-сигнала; 29 — электродвигатель отопителя; 30 — стеклоочиститель; 31 — сопротивление отопителя; 32, 33 — реле переключения света фар; 34 — реле противотуманных фар; 35 — реле времени омывателя заднего стекла; 36 — комбинация приборов; 37 — спидометр; 38 — колодка; 39 — сигнальная лампа неисправности двигателя; 40 — контрольная лампа включения дальнего света фар; 41 — контрольная лампа указателей поворотов; 42 — контрольная лампа включения стояночного тормоза; 43 — контрольная лампа неисправности тормозной системы; 44 — контрольная лампа аварийного давления масла; 45 — контрольная лампа аварийной температуры охлаждающей жидкости; 46 — контрольная лампа разряда аккумуляторной батареи; 47, 48 — контрольная лампа резервного сигнализатора; 49 — реле указателей поворотов и аварийной сигнализации; 50 — выключатель контрольной лампы стояночного тормоза; 51 — переключатель режимов отопителя; 52 — выключатель (замок) зажигания; 53 — реле выключателя (замка) зажигания; 54 — переключатель световой сигнализации; 55 — кнопка звукового сигнала; 56 — переключатель стеклоочистителя; 57 — переключатель датчиков уровня топлива; 58 — выключатель заднего противотуманного фонаря; 59 — выключатель аварийной сигнализации; 60 — плафон освещения салона; 61 — прикуриватель; 62 — выключатель плафона освещения салона; 63 — выключатель фонаря заднего хода; 64 — выключатель противотуманных фар; 65 — выключатель наружного освещения; 66 — реостат освещения приборов; 67 — датчик скорости; 68 — электробензонасос с датчиком уровня топлива; 69 — датчик уровня топлива; 70 — стеклоочиститель задний; 71 — омыватель заднего стекла; 72, 78 — фонарь задний; 73 — фонарь заднего хода; 74, 76 — фонарь освещения номерного знака; 75 — фонарь дополнительного сигнала торможения; 77 — задний противотуманный фонарь; 79 — датчик расхода воздуха; 80 — датчик положения дроссельной заслонки; 81, 84 — датчик температуры; 82 — датчик положения распределительного вала; 83, 85, 88, 92 — форсунка топливная; 86 — регулятор дополнительного воздуха; 87 — датчик детонации; 89, 90 — катушка зажигания; 91 — датчик положения коленчатого вала; 93, 95 — реле автомобильное; 94 — предохранитель плавкий 10 А; 96 — предохранитель плавкий 20 А; 97 — колодка диагностики; 98 — ЭБУ двигателем; 99, 100, 101, 102 — свеча зажигания; 103 — датчик концентрации кислорода; 104 — клапан продувки адсорбера





