Схемы электрооборудования на Toyota 4runner 1987-1998 г.в. в помощь всем автовладельцам. Передние приводы очень надёжные. В соединении со ступицей в 4Раннере используются бронзовые втулки скольжения вместо игольчатого подшипника. Сами втулки могут выдержать гораздо большие нагрузки в тяжелых условиях, чем подшипник разумного размера для данного узла. Ресурс службы этих втулок достаточно большой — при наличии необходимого количества правильной смазки в ступичном узле — они ходят больше 100 т. км. Естественно, при отсутствии смазки, биениях и прочих неисправностях — они умирают. Только в такой ситуации подшипник умрёт с тем же успехом. Стоимость втулки — в районе 6 у.е.
Схема заряда батареи на Toyota 4runner
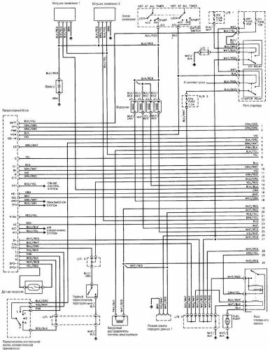
Схема системы управления двигателем и трансмиссией
Электросхема электрооборудования 4-цилиндрового двигателя на Тойота 4 раннер
Эл.схема осветительных приборов, кроме фар
Сигнал заднего хода — схема
Электросхема фар на Тойота 4 раннер
Эл.схема освещения щитка приборов
Освещение внутри салона — схема
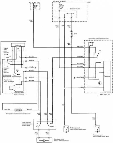
Электросхема привода стеклоподъемников и дверных замков
Схема электрооборудования двери
Отопитель и кондиционер — эл.схема
Магнитола и аудиосистема — схема
Контрольно-измерительные приборы и контрольные лампы на Toyota 4runner
Схема стеклоочистителя


















