Схемы электрооборудования на Toyota Camry 1996-2001 г.в. Итак, в 1983 году Toyota начинает продажу иномарок нового класса, призванных потеснить автомобили Honda, лидировавшие по уровню продаж в США на то время. С этого момента начинается соперничество двух автопроизводителей. Новая Toyota Camry обладала более совершенными техническими характеристиками, чем Honda и вскоре достигла уровня продаж фирмы-конкурента. Так, в борьбе за потребителя каждая из компаний старалась улучшить свои автомобили. В результате в 1985 Toyota расширяет цветовую гамму своих авто и добавляет 3 л.с. к мощности двигателя. А уже в 1988 было разработано новое, второе по счёту, поколение ряда Camry. Из нововведений стоит отметить увеличенную мощность двигателя, она составляла 115 л.с. и опережала Honda на 17 л.с., кроме того, разработчикам удалось улучшить шумоизоляцию двигателя, ну и плюс ко всему, теперь выпускали автомобили не с пяти, а с четырехдверным кузовом. Уже через год были реализованы новые конструкторские разработки: двигатель V6 DOHC, объёмом 2,5 литра и мощностью 153 л.с. и система полного привода. В том же году, благодаря своей растущей популярности среди американцев, был построен завод по производству Toyota Camry в Соединенных Штатах.
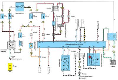
Схема системы пуска, заряда и зажигания
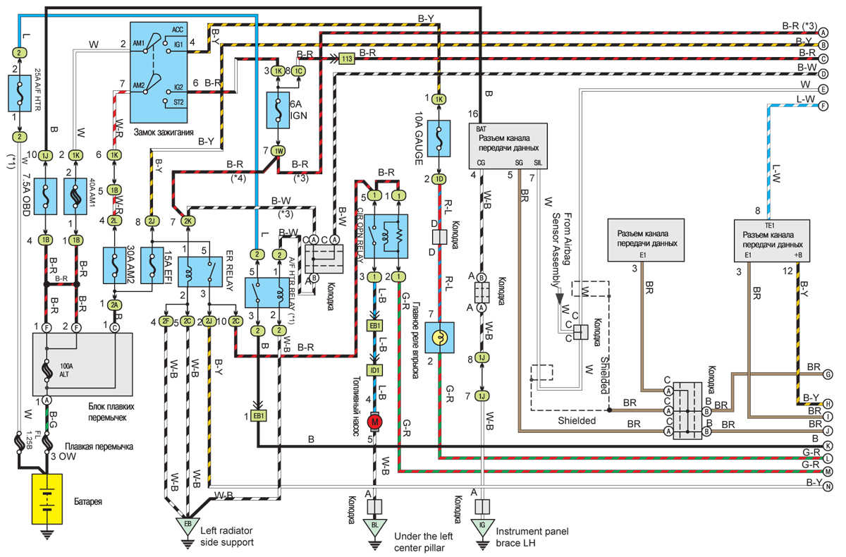
Электросхема системы управления двигателем, 4-цилиндровые двигатели
Схема системы управления двигателем, 6-цилиндровые двигатели
Эл.схема отопителя и кондиционера на Toyota Camry
Электросхема системы охлаждения двигателя, обогрева заднего стекла и зеркал
Указатели и система световой сигнализации — схема
Схема сигнала поворота, аварийной сигнализации, сигнала движения задним ходом
Задние фонари и сигнал торможения — эл.схема
Внутреннее освещение — электросхема
Схема системы круиз-контроля на Toyota Camry
Электросхема стеклоподъемников на Тойота Камри 2
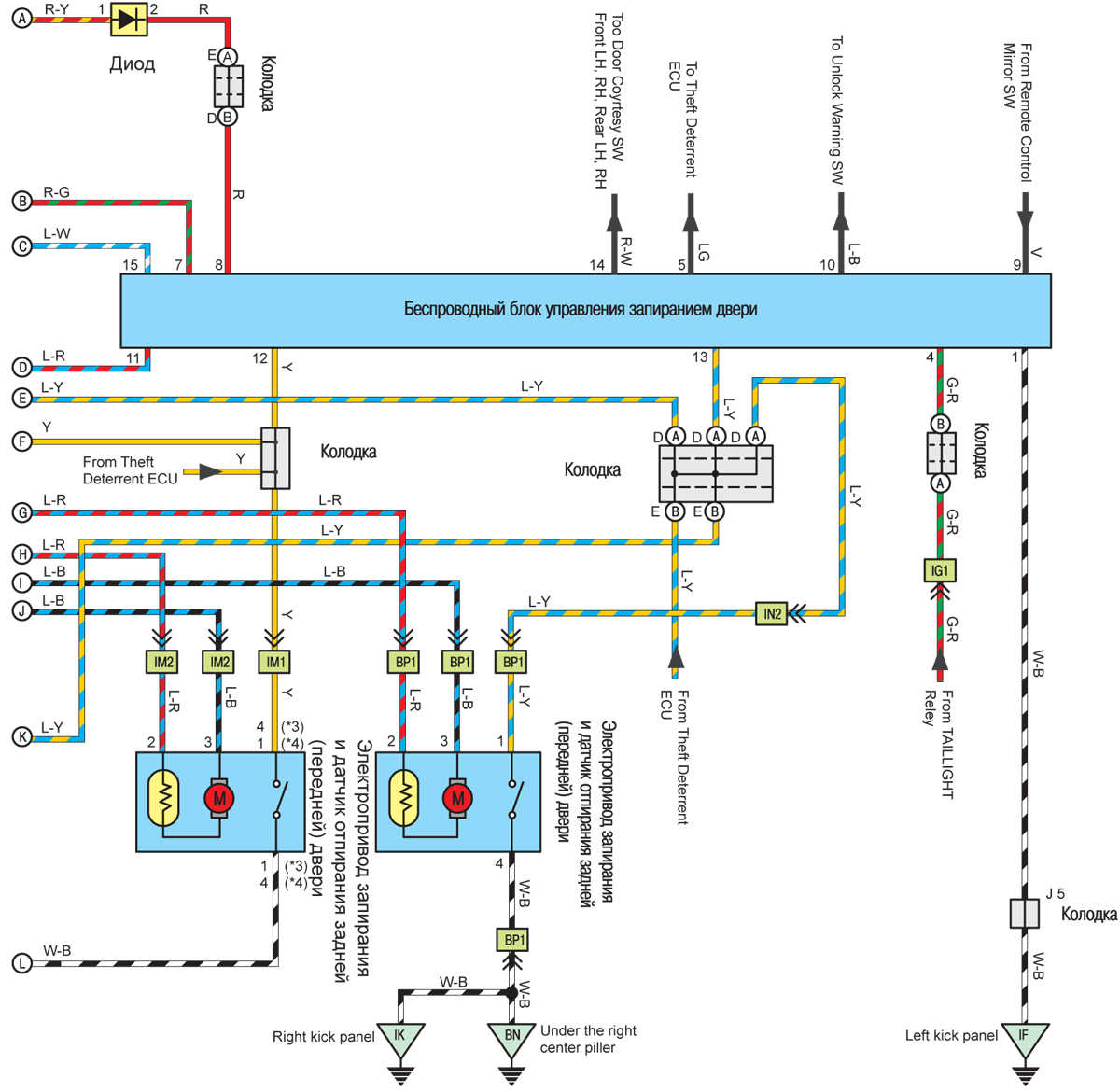
Дверные замки — схема
Противоугонная система — эл.схема




















