Представляем вашему вниманию, схемы электрооборудования на Subaru Forester 1997-2005 г.в. Задняя подвеска — независимая, стоечного типа, с телескопическими амортизаторами, организована посредством поперечной балки, одного продольного и двух (переднего и заднего) параллельно установленных поперечных рычагов и стабилизатора поперечной устойчивости. Рулевой привод организован посредством реечной передачи и двух поперечных рулевых тяг. В стандартную комплектацию входит система гидроусиления руля.
Схема системы заряда на Субару Форестер
Схема системы запуска
Электросхема управления двигателем
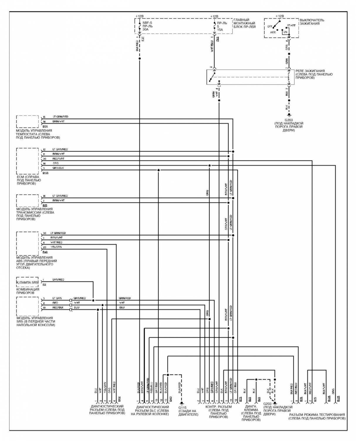
Диагностические разъемы — схема
Блокировка переключения — эл.схема
Вентиляторы системы охлаждения — электросхема
Схема системы кондиционирования воздуха с ручным управлением
Электросхема ABS на Субару Форестер
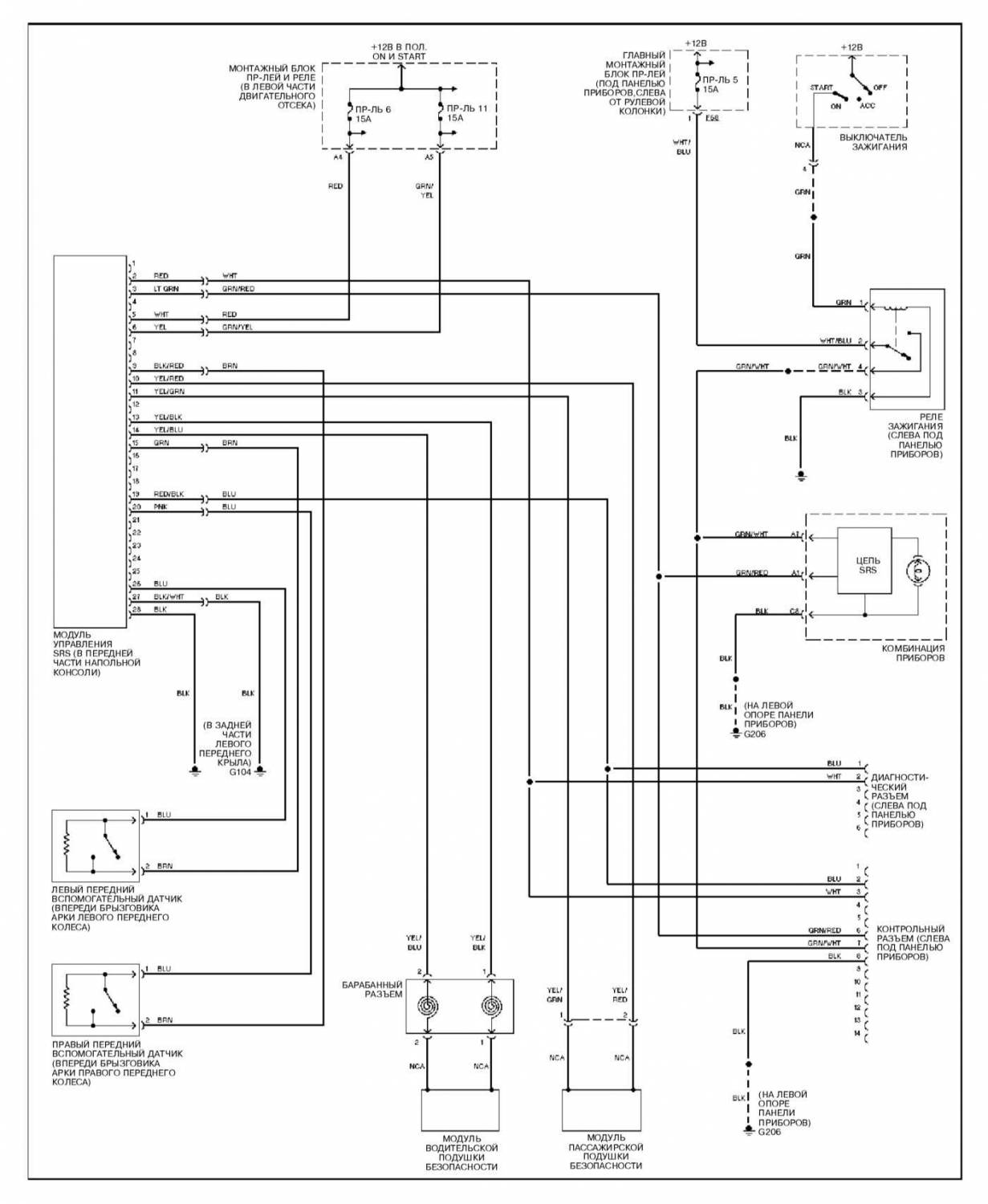
Схема системы SRS на Subaru Forester
Схема сигнальной системы предупреждения
Электросхема темпостата на Субару Форестер
Эл.схема очистителей/омывателей ветрового стекла
Схема очистителей/омывателей заднего стекла
Комбинация приборов — схема
Внутреннее освещение — электросхема
Наружные осветительные и сигнальные приборы — схема
Огни заднего хода — эл.схема
Электросхема клаксона на Subaru Forester




















