Электросхемы оборудования на Saab 95 1997-2004 г.в. Полностью независимая подвеска передних колёс состоит из стоек Мак-Ферсона, поперечных рычагов и стабилизатора. Задняя полностью независимая подвеска включает в себя продольный рычаг, 2 поперечные тяги и стабилизатор. Тормоза оснащены вакуумным усилителем. Все тормозные механизмы дисковые. Штатно установлена система ABS. В качестве дополнительного оборудования могут устанавливаться системы управления устойчивостью автомобиля (TCS и ESP). Рулевое управление реечное, с гидроусилителем. На все модели серийно устанавливаются подушки безопасности водителя и переднего пассажира, а также боковые подушки безопасности.
Схема системы заряда батареи на Saab 95
Схема системы запуска с иммобилизатором двигателя
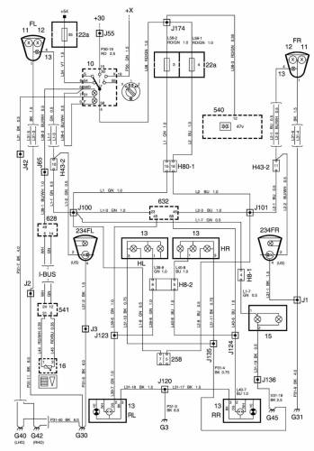
Галогенные фары — электросхема
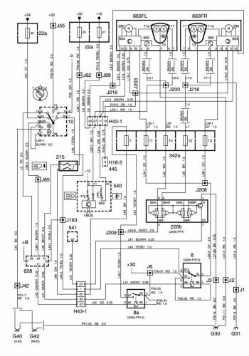
Ксеноновые фары — эл.схема
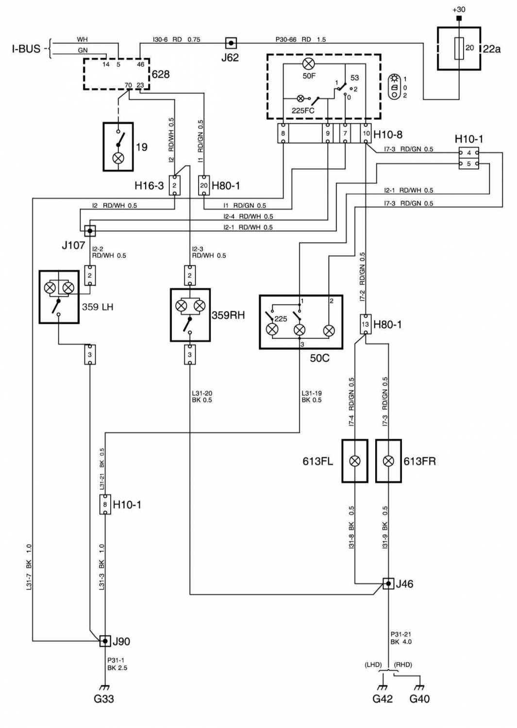
Стояночные огни — схема на седан и универсал
Противотуманные фары — схема
Стоп-сигналы — электросхема
Фонари заднего хода — эл.схема
Задние туманные фонари — схема
Указатели поворотов и аварийная сигнализация — электросхема
Внутреннее освещение, лампы для чтения — эл.схема на Сааб 95
Освещение в дверях — схема на Saab 95
Освещение багажного отделения — схема
Освещение вещевого ящика — электросхема
Схема подсветки приборов на Saab 95
Ручная регулировка наклона галогенных фар — эл.схема
Клаксон — схема на Saab 95
Омыватели стёкол и линз фар — электросхема
Прикуриватель — эл.схема на Saab 95




















