Принципиальные электросхемы оборудования на Renault Megane 1996-2002 г.в. Некоторые модели оборудованы пятиступенчатой РКПП, на остальных установлена четырехступенчатая автоматическая трансмиссия. Все модели имеют передний привод. Подвеска передних колес — независимая, задних — полунезависимая. Отделка салона отличается высоким вкусом и разнообразием. Модели с расширенной комплектацией оснащены единым замком, электрическими стеклоподъемниками, люком крыши, системой антипробуксовки тормозов (ABS) и кондиционером воздуха.
Блок предохранителей (базовые модели)
Модели с расширенной комплектацией
Блок предохранителей в двигательном отсеке
А — Плавкий предохранитель фонаря заднего хода
В — Реле стартера
С — Не используется
D — Не используется
Е — Реле режима высокой скорости вентилятора
F — Плавкий предохранитель вентилятора кондиционера воздуха
G — Плавкий предохранитель автоматической трансмиссии Н — Не используется
I — Обогреватель впускного трубопровода
J — Реле блокировки впрыска
К — Реле режима низкой скорости вентилятора
L — Обогреватель топливного фильтра (дизель)/реле топливного насоса
М — Предохранитель системы управления двигателем
N — Предохранитель системы управления двигателем
О — Диод кондиционера воздуха
Схема системы запуска и заряда, вентилятора охлаждения двигателя, отопителя
Контрольные лампы и приборы — схема
Внешнее освещение — электросхема
Внешнее и внутреннее освещение — эл.схема на Renault Megane
Регулировка фар, звуковой сигнал, прикуриватель, часы/дисплей — схема на Рено Меган
Электросхема стеклоочистителя, нагнетателя отопителя и радио
Единый замок, электрические стеклоподъемники и зеркала — эл.схема
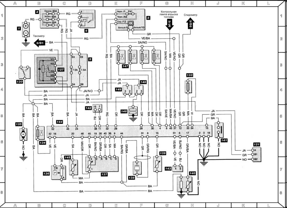
Схема системы центрального впрыска топлива Siemens — Fenix 3
Полупоследовательная система распределенного впрыска топлива Siemens — схема
Последовательная система распределенного впрыска топлива Siemens
Преднакал и впрыск топлива -двигатель F8Q 784 — схема на Renault Megane














