Opel Vectra А 1988-1995 г.в. и электросхемы оборудования к нему.
Opel Vectra А с передними ведущими колесами представляет собой вполне традиционную конструкцию для автомобилей 80-х годов. Передняя подвеска — типа McPherson, задняя — со связанными продольными рычагами. Они жестко соединены поперечной балкой из стального V-образного профиля, которая, работая на кручение, помогает стабилизатору поперечной устойчивости. Чтобы погрузочная поверхность пола багажника была достаточно широкой и низко расположенной, рычаги подвески опущены ниже осей колес, где на них опираются бочкообразные, совсем небольшой высоты витые пружины. Основным преимуществом такой схемы является вместительный багажник.
Общие сокращения на электросхемах
ABS Антиблокировочная тормозная система 4WD Полный привод
АС Кондиционер LWR Корректор света фар
AZV Сцепное устройство прицепа М1.5 Системы управления двигателем Bosch Motronic M1.5
AT Автоматическая коробка передач М2.5 Системы управления двигателем Bosch Motronic M2.5
АТС Автоматическая регулировка температуры МОТ Motronic
BR Бортовой компьютер МТ Механическая коробка передач
СС Контроль системы управления MUL Система впрыска топлива Multec
CRC Круиз-контроль N Норвегия
D Дизель NS Передние противотуманные фары
DS Система защиты NSL Задние противотуманные фонари
DT Турбодизель OEL Датчики давления/уровня масла
DWA Противоугонная система ОРТ Оборудование, поставляемое по особому заказу
DZM Тахометр PBSL Стояночный тормоз (автоматическая коробка передач, селектор в положении Р)
EFC Крыша с электрическим приводом (Кабриолет) P/N Парковка/нейтраль (автоматическая коробка передач)
EKS Охрана (окна с электрическим стеклоподъемником) РОТ Потенциометр
ЕМР Радиоприемник RC Система управления уровнем задней подвески
EUR Двигатель RFS Фонари заднего хода
EZ + Е1 Плюс система зажигания (с самодиагностикой) RHD Правый привод
EZV Ecotronic SD Люк
FH Электрические стеклоподъемники SH Сидения с подогревом
GB Великобритания SRA Стеклоомыватели и стеклоочистители фар
HS Обогреватель стекла TANK Датчик уровня топлива
HW Стеклоочиститель заднего стекла ТО Турбодизель
HZG Обогрев TEMP Указатель температуры
HRL Лампа багажного отделения TFL Управление светом
INS Комбинация приборов TKS Освещение в салоне, включающееся при открывании дверей
IRL Подсветка салона, включающаяся при открывании дверей TSZI Зажигание
КАТ Каталитический конвертер VGS Карбюратор
KBS Жгут проводов WEG Счетчик пройденного расстояния
KV Контакт, распределительный элемент WHR Система управления уровнем задней подвески
L3.1 Система впрыска топлива (Bosch L3. 1 -Jetronic) WS Зуммер
LCD Дисплей ZV Центральный замок
LHD Левый привод ZYL Цилиндр
Электросхема моделей с 1989 года
Пояснение к электрическим схемам моделей с 1991 года
Система кондиционирования воздуха 800 – 850
Генератор 111
Антиблокировочная система тормозов (ABS) 701 – 722
Противоугонная система 633 – 647
Система управления автоматической коробкой передач 773 – 799
Аккумулятор 100
Стоп–сигнал 461 – 462
Карбюратор 118 – 121
Система центральной блокировки дверей 600 – 627
Система управления 347 – 371
Подсветка прикуривателя 597 – 598
Часы 661 – 663
Освещение салона, включающееся при открытии передних дверей 487 – 494
Освещение салона, включающееся при открытии задних дверей 569 – 573
Контрольная лампа указателей поворотов и аварийной световой сигнализации 467 – 482
Наружные зеркала заднего вида 536 – 548
Стеклоподъемники с электрическим приводом 665 – 699
Освещение моторного отсека 415
Передние противотуманные фары 444 – 452
Задние противотуманные фонари 444 – 457
Система управления двигателем (Multec) – двигатель С16 NZ 129 – 164
Система управления двигателем (Multec) – двигатель С18 NZ 972 – 997
Системы управления двигателем (Motronic M1.5) – двигатели 2,0 л. SOHC 168 – 199
Системы управления двигателем (Motronic M2.5) –двигатели 2.0 л. DOHC 261 – 299
Подсветка вещевого ящика 599
Корректор света фар 758 – 766
Система уменьшения интенсивности потока света фар 427 – 431
Стеклоомыватели фар 519 – 532
Фары 437 – 442
Зуммер предупреждающий о оставленных включенных фарах 493 – 495
Передние сидения с подогревом 560 – 566
Обогрев заднего стекла 549 – 556
Двигатель вентилятора отопителя 853 – 862
Звуковой сигнал(ы) 592 – 596
Зажигание (НЕI) – двигатель 14 NV 121 – 128
Зажигание (MSTS/EZ+) – двигатели 16 SV, 18 SV 236 – 256
Комбинация приборов 301 – 344
Освещение багажника 485
Вентилятор радиатора 113,115
Магнитола 586 – 591
Подсветка номерного знака 413
Фонари заднего хода 496 – 498
Габаритные огни 401 – 410
Стартер 102 – 110
Люк 863 – 870
Стеклоочиститель задней двери 510 – 516
Бортовой компьютер 650 – 662
Омыватель ветрового и заднего стекла 511 – 529
Стеклоочистители 501 – 506
Е1 Габаритный фонарь, левый 406
Е2 Задний фонарь, левый 356, 374, 407
Е3 Осв. номерного знака 413
Е4 Габаритный фонарь, правый 409
Е5 Задний фонарь, правый 358, 376, 410
Е6 Фонарь осв. моторного отсека 415
Е7 Дальний свет, левый 437
Е8 Дальний свет, правый 438
Е9 Ближний свет, левый 360, 378, 439
Е10 Ближний свет, правый 362,380, 440
Е11 Освещения приборов 328 – 329
Е12 Лампа освещения панели рычага селектора (автоматическая коробка передач) 799
Е13 Лампа подсветки багажника 485
Е14 Освещение салона, включающееся при открытии дверей 487
Е15 Подсветка вещевого ящика 599
Е16 Лампа подсветки прикуривателя 596
Е17 Левый фонарь заднего хода 497
Е18 Правый фонарь заднего хода 498
Е19 Обогреватель заднего стекла 552
Е20 Левая передняя противотуманная фара 448
Е21 Правая передняя противотуманная фара 447
Е25 Обогреватель левого переднего сидения 580
Е27 Выключатель освещение салона, включающийся при открытии задней левой двери 569 – 570
E28 Выключатель освещение салона, включающийся при открытии задней правой двери 572 – 573
Е30 Обогреватель правого переднего сидения 564
Е32 Лампа подсветки часов 663
Е38 Лампа подсветки бортового компьютера 654
Е39 Правый задний противотуманный фонарь 455
Е41 Освещение салона, включающееся при открытии дверей 488 – 490
Е50 Подсветка порога открытой двери водителя 666
Е51 Подсветка порога открытой двери пассажира 684
F1 Предохранители (в блоке предохранителей) Разные
G1 Аккумулятор 101
G2 Генератор 111
G3 Аккумулятор – дизельные модели 882, 901
G6 Генератор – дизельные модели 884 – 886, 909 – 911
Н1 Магнитола 589 – 590, 634
Н2 Звуковой сигнал 592
Н3 Контрольная лампа указателя поворотов 315 – 320
Н4 Контрольная лампа давления масла 310
Н5 Контрольная лампа уровня тормозной жидкости 313
Н6 Контрольная лампа аварийной световой сигнализации 470
Н7 Контрольная лампа зарядки аккумулятора 310
Н8 Контрольная лампа дальнего света 322
Н9 Левый стоп–сигнал 364, 382, 461
Н11 Передняя левая лампа указателя поворотов 472
Н12 Задняя левая лампа указателя поворотов 473
Н13 Передняя правая лампа указателя поворотов 461
Н14 Задняя правая лампа указателя поворотов 482
Н15 Контрольная лампа уровня топлива 305
Н16 Контрольная лампа работы свечей накаливания (дизельные модели) 323
Н17 Контрольная лампа указателя поворотов прицепа 321
Н18 Двойной звуковой сигнал 593
Н19 Зуммер предупреждающий о оставленных включенных фарах 494 – 495
Н21 Контрольная лампа затянутого ручного тормоза 315
Н25 Контрольная лампа обогрева наружного зеркала 542, 952
Н26 Контрольная лампа ABS 319
Н30 Контрольная лампа неисправностей двигателя 324
Н33 Левая лампа бокового повторителя поворотов 476
Н34 Правая лампа бокового повторителя поворотов 478
Н42 Контрольная лампа автоматической коробки передач 325
Н45 Контрольная лампа полного привода 327
Н46 Контрольная лампа температуры катализатора 329
Н47 Противоугонный сигнальный звуковой сигнал 638
Н48 Звуковой сигнал 594
К3 Реле стартера 109 – 110
К5 Реле передних противотуманных фар 448 – 450
Кб Реле кондиционера 801 – 802
К7 Реле вентилятора кондиционера 804 – 805
К8 Реле прерывистой работы стеклоочистителя ветрового стекла 503 – 506
К9 Реле омывателя фар 519 – 520
К10 Реле указателей поворотов/ аварийной световой сигнализации 467 – 469
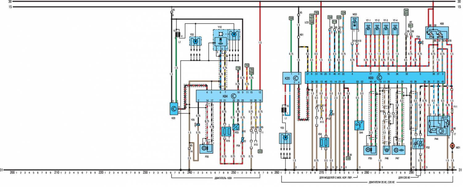
К20 Блок зажигания 122 –124, 236 – 237, 975 – 976
К25 Реле свечи накаливания (дизельные модели) 889 – 892
К30 Реле прерывистой работы стеклоочистителя заднего стекла 513 – 515
К35 Реле подогрева наружного зеркала 550 – 552
К37 Блок управления центральным замком 606 – 612
К47 Помехозащитное реле (ABS) 702 – 703, 735 – 736
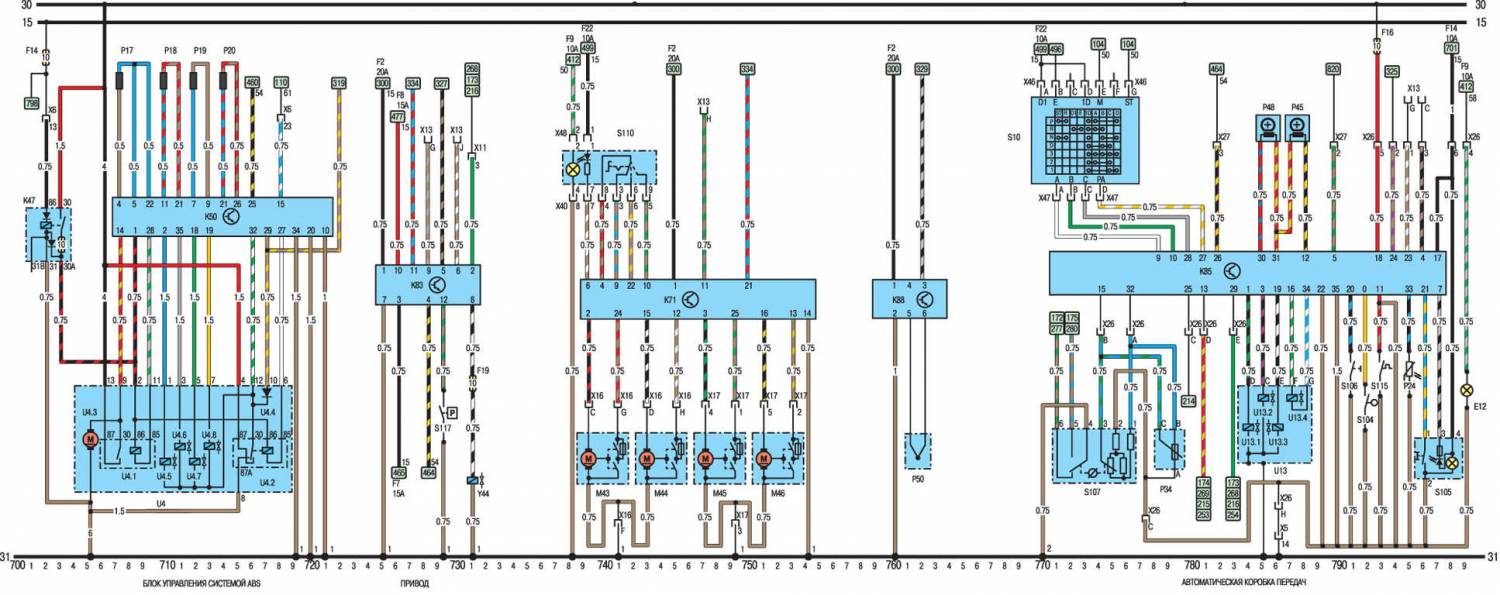
К50 Блок управления ABS 707 – 721, 740 – 754
К51 Реле вентилятора радиатора 829 – 830, 842 – 843, 837 – 838
К57 Электронное контрольное устройство Multec (ECU) 139 – 161
K58 Реле топливного насоса 163 – 164, 996 – 997
К59 Реле управления 420 – 426
К62 Блок управления уменьшения интенсивности потока света 427 – 431
К63 Реле звукового сигнала 594 – 595
К64 Реле вентилятора кондиционера 802 – 803
К67 Реле вентилятора радиатора 825 – 826, 849 – 850
К68 Реле системы впрыска топлива 196 – 199
К69 Блок управления Motronic M2.5 267 – 297
К73 Реле дальнего света 432 – 433
К76 Блок управления свечами накаливания (модели Турбо дизель) 916 – 921
К77 Реле свечей накаливания (модели Турбо дизель) 923 – 924
К78 Резистор (модели Турбо дизель) 926 – 927
К79 Контрольная лампа зарядки аккумулятора 911 – 913
К80 Реле подогрева топливного фильтра (дизельные модели) 898 – 899, 931 – 932
К82 Реле оборотов двигателя 895 – 896
К83 Блок управления полным приводом 725 – 731
К84 Модуль зажигания MSTS 242 – 256
К85 Блок управления автоматической коробкой передач 774 – 797
К88 Блок регулирования температуры катализатора 758 – 760, 966 – 968
К89 Реле задних противотуманных фонарей 444 – 447
К90 Реле компрессора кондиционера 820 – 821
К91 Блок управления Motronic M 1.5 170 – 194
К94 Блок управления системой противоугонной сигнализации 633 – 647
К97 Реле омывателя фар 530 – 532
К101 Реле зеркал с электрическим приводом 961 – 964
К102 Блок управления тормозом (автоматическая коробка передач) 769 – 771
К103 Реле вентилятора радиатора 845 – 847
К107 Электронное контрольное устройство Multec (ECU) 978 – 996
L1 Катушка зажигания 121 – 122, 133 – 134, 173, 174, 237 – 238, 974 – 975
М1 Стартер 105 – 106
М2 Двигатель стеклоочистителя 501 – 504
М3 Двигатель вентилятора отопителя 854 – 856
М4 Двигатель вентилятора радиатора 113, 115, 829, 847, 935
Мб Левый двигатель стеклоочитителя фар 522 – 524
М7 Правый двигатель стеклоочитителя фар 526 – 528
М8 Двигатель заднего стеклоочистителя 511 – 513
М10 Двигатель вентилятора кондиционера 805 – 808
М11 Двигатель вентилятора радиатора 840, 941
М12 Стартер (дизельные модели) 887 – 888, 905 – 906
М13 Двигатель люка 865 – 869
М13.1 Двигатель люка 866 – 868
М13.2 Микровыключатель хода люка 866
М13.3 Микровыключатель хода люка 868
М18 Двигатель центрального замка в двери водителя 607 – 610
М19 Двигатель центрального замка в левой задней двери 621 – 623
М20 Двигатель центрального замка в правой задней двери 625 – 627
М21 Топливный насос 164,197,229,997
М24 Насос стеклоомывателя фар 532
М26 Двигатель антенны с электроприводом 588 – 589
М30 Двигатель наружного зеркала в двери водителя 538 – 541
М31 Двигатель наружного зеркала в двери пассажира 544 – 547
М32 Двигатель центрального замка в двери пассажира 613 – 616
М39 Левый двигатель корректора света фар 759 – 762
М40 Правый двигатель корректора света фар 763 – 766
М41 Двигатель центрального замка откидной створки топливного бака 623 – 624
М47 Передний левый двигатель стеклоподъемников с электрическим приводом 667 – 671
М48 Передний правый двигатель стеклоподъемников с электрическим приводом 685 – 689
М49 Задний левый двигатель стеклоподъемников с электрическим приводом 673 – 677
М50 Задний правый двигатель стеклоподъемников с электрическим приводом 691 – 695
М55 Насос омывателя ветрового и заднего стекла 516
М62 Двигатель наружного зеркала заднего вида на двери водителя 947 – 953
М63 Двигатель наружного зеркала заднего вида на двери пассажира 956 – 962
Р1 Указатель уровня топлива 304
Р2 Указатель температуры охлаждающей жидкости 306
Р3 Часы 662
Р4 Датчик уровня топлива 304
Р5 Датчик указателя температуры охлаждающей жидкости 306
Р7 Тахометр 308
Р8 Указатель давления масла 341
Р9 Вольтметр 339
Р10 Датчик давления масла 341
Р11 Измеритель потока воздуха (Motronic M1.5) 185 – 189
Р13 Датчик температуры наружного воздуха бортового компьютера 655 – 656
Р14 Датчик пробега 336 – 337, 915 – 916
Р17 Передний левый датчик ABS на колесе автомобиля 707, 740
Р18 Передний правый датчик ABS на колесе автомобиля 710, 742
Р19 Задний левый датчик ABS на колесе автомобиля 712,744
Р20 Задний правый датчик ABS на колесе автомобиля 713, 746
Р21 Датчик привода спидометра 332
Р23 Датчик давления 152 – 154, 984 – 986
Р24 Датчик температуры трансмиссионной жидкости автоматической коробки передач 252,795
Р25 Датчик неисправности ламп внешнего освещения 373 – 386
Р27 Датчик износа передней левой тормозной колодки 351, 396
Р28 Датчик износа передней правой тормозной колодки 351, 396
Р30 Датчик температуры охлаждающей жидкости 150, 982
Р32 Обогреватель датчика кислорода 194 – 195, 291 – 292
Р33 Датчик кислорода 157, 991
Р34 Датчик положения дросселя/потенциометра 158 – 160, 180 – 181, 777 – 778, 987 – 989
Р35 Датчик скорости вращения коленчатого вала 189 – 191,281 – 282,982 – 984
Р39 Датчик неисправности ламп прицепа 368 – 370, 387 – 389
Р43 Электронный спидометр 336
Р44 Измеритель потока воздуха (Motronic M2.5) 294 – 298
Р45 Датчик скорости вращения выходного вала автоматической коробки передач 791 – 792
Р46 Датчик детонации 284 – 285
Р47 Датчик Холла (Motronic M2.5) 287 – 288
Р48 Датчик скорости вращения выходного вала автоматической коробки передач 789 – 790
Р50 Датчик температуры катализатора 759 – 760, 977 – 978
Р53 Датчик противоугонной системы со стороны водителя 639 – 642
Р54 Датчик противоугонной системы со стороны пассажира 644 – 647
Р55 Датчик температуры охлаждающей жидкости (модели Турбо дизель) 919
R2 Карбюратор с предварительным обогревом 121
R3 Подсветка прикуривателя 597
R5 Свечи накаливания (дизельные модели) 891 – 892, 922 – 924
R12 Автоматическая воздушная заслонка 118
R13 Левый жиклер омывателя ветрового стекла с подогревом 526
R14 Правый жиклер омывателя ветрового стекла с подогревом 528
R15 Потенциометр регулировки качества смеси 155 – 157
R19 Резистор двигателя вентилятора радиатора 115, 832, 935
R22 Резистор свечей накаливания (модели Турбо дизель) 927
S1 Замок зажигания 105 – 106, 885 – 886, 905 – 906
S1.2 Концевой выключатель 586
S2.1 Переключатель освещения 404 – 407
S2.2 Выключатель освещение салона, включающийся при открытии дверей 487
S2.3 Регулятор интенсивности освещения приборов 328
S3 Выключатель вентилятора отопителя 853 – 860
S4 Выключатель обогревателя заднего стекле и наружного зеркала 554 – 556
S5.2 Выключатель ближнего света 438 – 439
S5.3 Переключатель указателя поворотов 480 – 482
S5.4 Переключатель габаритных огней 401 – 402
S7 Выключатель фонаря заднего хода 497
S8 Выключатель стоп–сигнала 462
S9.2 Переключатель стеклоочистителя 501 – 504
S9.5 Переключатель стеклоочистителя/стеклоомывателя заднего стекла 514 – 516
S10 Выключатель блокировки стартера автоматической трансмиссии 773 – 779
S11 Датчик уровня тормозной жидкости 31
S13 Индикатор затягивания ручного тормоза 315
S14 Датчик давления масла 310
S15 Переключатель освещения багажного отделения 485
S17 Выключатель освещение салона, включающийся при открытии дверей 490
S21 Выключатель передних противотуманных фар 450 – 452
S22 Выключатель заднего противотуманного фонаря 455 – 457
S24 Переключатель вентилятора кондиционера 804 – 811
S27 Выключатель компрессора кондиционера работающего при низком давлении 821
S28 Выключатель компрессора кондиционера работающего при высоком давлении 821
S29 Выключатель вентилятора радиатора 113
S30 Выключатель подогрева сидения водителя 560 – 562
S31 Выключатель освещение салона, включающийся при открытии задней левой двери 491
S32 Выключатель освещение салона, включающийся при открытии правой двери 491
S37 Переключатель стеклоподъемников с электрическим приводом на двери водителя 668 – 694
S37.1 Переключатель стеклоподъемников с электрическим приводом передней левой двери 668 – 670
S37.2 Переключатель стеклоподъемников с электрическим приводом передней правой двери 686 – 688
S37.3 Переключатель стеклоподъемников с электрическим приводом задней левой двери 674 – 676
S37.4 Переключатель стеклоподъемников с электрическим приводом задней правой двери 692 – 694
S37.5 Автомат перегрузки стеклоподъемников с электрическим приводом 672 – 673
S37.7 Система автоматического управления стеклоподъемниками с электрическим приводом 677 – 682
S39 Переключатель стеклоподъемников с электрическим приводом на задней левой двери 678 – 680
S40 Переключатель стеклоподъемников с электрическим приводом на задней правой двери 696 – 698
S41 Выключатель центральной блокировки расположенный на двери водителя 601 – 603
S42 Выключатель центральной блокировки расположенный на двери пассажира 605
S44 Датчик положения дроссельной заслонки 278 – 279
S52 Выключатель аварийной световой сигнализации 469 – 474
S55 Выключатель обогревателя сидения пассажира 564 – 566
S57 Выключатель люка 864 – 869, 872 – 877
S63.1 Переключатель установки функций бортового компьютера 656
S63.2 Переключатель часов бортового компьютера 657
S63.3 Выбор функций бортового компьютера 658
S63.5 Установка минут бортового компьютера 659
S64 Выключатель звукового сигнала 592, 595
S68.1 Переключатель регулировки положения внешнего зеркала 538 – 540, 945 – 950
S68.3 Переключатель на правое или левое внешнего зеркала 537 – 541, 946 – 950
S68.4 Нейтральное положение переключателя внешнего зеркала 952
S76 Выключатель вентилятора компрессора кондиционера высокого давления 827
S82 Выключатель насоса стеклоомывателя 347, 392
S88 Выключатель вентилятора радиатора 115 – 116, 935 – 936
S93 Датчик уровня охлаждающей жидкости 348, 393
S95 Датчик уровня масла 349, 394
S98 Корректор света фар 758 – 760
S99 Переключатель стеклоподъемника с электрическим приводом в двери водителя 685
S100 Переключатель стеклоподъемника с электрическим приводом в двери пассажира 683
S101 Выключатель компрессора кондиционера 822 – 824
S102 Выключатель циркуляции кондиционера 816 – 818
S104 Механизм принудительного включения пониженной передачи автоматической коробки передач 794
S105 Кнопка «Winter» автоматической коробки передач 796 – 798
S106 Кнопка «Economy/Sport» автоматической коробки передач 793
S109 Выключатель компрессора кондиционера 818
S115 Термодатчик охлаждающей жидкости автоматической коробки передач 788 – 789
S116 Выключатель стоп–сигнала 464 – 465
S117 Выключатель гидравлического давления полного привода 729
S119 Термодатчик охлаждающей жидкости кондиционера 829, 843
S120 Выключатель капота системы противоугонной сигнализации 635
S127 Выключатель задней двери системы противоугонной сигнализации 630
S128 Выключатель обогревателя кондиционера 825 – 826
S131 Выключатель обогревателя кондиционера 815
U2 Бортовой компьютер 651 –662
U4 Модулятор ABS 705 – 718, 738 – 751
U4.1 Реле насоса ABS 706 – 709, 739 – 742
U4.2 Реле электромагнитных клапанов ABS 715 – 718, 747 – 751
U4.3 Насос ABS 705, 738
U4.4 Диод ABS 717
U4.5 Передний левый электромагнитный клапан ABS 710, 743
U4.6 Передний правый электромагнитный клапан ABS 711, 744
U4.7 Задний левый электромагнитный клапан ABS 712, 745
U4.8 Задний правый электромагнитный клапан ABS 713
U5 Дисплей 347 – 355
U5.1 Контрольная лампа уровня жидкости в бачке стеклоомывателя 352
U5.2 Контрольная лампа уровня масла 351
U5.3 Контрольная лампа уровня охлаждающей жидкости 350
U5.4 Контрольная лампа неисправности ламп ближнего света 349
U5.5 Контрольная лампа неисправности ламп стоп–сигнала 348
U5.6 Контрольная лампа износа тормозных колодок 347
U6 Электрическая комбинация приборов
U6.1 Контрольная лампа уровня жидкости в бачке стеклоомывателя 392
U6.2 Контрольная лампа уровня масла 394
U6.3 Контрольная лампа уровня охлаждающей жидкости 393
U6.4 Контрольная лампа неисправности ламп ближнего света 391
U6.5 Контрольная лампа неисправности ламп стоп–сигнала 395
U6.6 Контрольная лампа износа тормозных колодок 396
U12.1 Термодатчик (дизельные модели) 898, 931
U12.2 Обогреватель топливного фильтра (дизельные модели) 899, 932
U13 Автоматическая коробка передач AF 14/20 782 – 786
U13.1 Тяговое реле 782
U13.2 Тяговое реле 783
U13.3 Тяговое реле фрикционной муфты гидротрансформатора 784
U 13.4 Тяговое реле давления жидкости 785
V1 Диод уровня тормозной жидкости 312
V8 Диод компрессора кондиционера 820
Y1 Компрессор кондиционера 821
Y4 Электромагнитный клапан стеклоомывателя фар 520
Y5 Топливный электромагнитный клапан (дизельные модели) 893, 928
Y7 Топливные форсунки 187 – 194, 280 – 287
Y10 Распределитель зажигания с датчиком Холла 246 – 251
Y23 Распределитель зажигания с индуктивным датчиком 123 – 127
Y24 Распределитель зажигания с индуктивным датчиком 129 – 136
Y25 Электромагнитный клапан холостого хода (автоматическая коробка передач) 242
Y30 Клапан холодного запуска (дизельные модели) 896
Y32 Топливная форсунка 140,979
Y33 Распределитель 170, 262, 972 – 974
Y34 Клапан топливного бака 193, 292
Y35 Электромагнитный клапан циркуляции кондиционера 816
Y44 Электромагнитный клапан полного привода 731
Y47 Магнит тормоза (автоматическая коробка передач) 769
Х13 Диагностический разъем 149, 170 – 171, 254 – 255, 269 – 270, 325, 339 – 340, 752 – 753, 774 – 775, 992 – 993
Х15 Заглушка октан–корректора 160, 184 – 185, 248 – 249, 990 – 991
Х54 Заглушка опережения зажигания 270 – 271
Х1 На разъемах электропроводки Разные
Электрическая схема оборудования моделей с 1991 года
Эл.схема оборудования моделей с 1992 года




















