Схема автомобиля — Ниссан Максима

     Для всех автосалонов, а так же всем автолюбителям принципиальные схемы электрооборудования на Nissan Maxima QX 1993-2000 г.в. Стальной кузов автомобилей Maxima имеет универсальную конструкцию. Повышенная на 30% жесткость кузова моделей с 2000 г. дополнительно увеличивает уровень пассивной безопасности. Такой кузов имеют более крупные размеры.В стандартную комплектацию всех моделей входит вакуумный усилитель тормозов. Начиная с 1997 г. в стандартную комплектацию автомобиля была включена система антиблокировки тормозов (ABS). На моделях с 2000 г. диаметры передних и задних тормозных цилиндров увеличены — на 2.3 мм и 4.2 мм соответственно. При экстренном торможении ABS немедленно вводится в действие благодаря системе Nissan Brake Assist — надежной механической системе, предназначенной для усиления давления на педаль. Эти две системы дополнены системой электронного распределения тормозного усилия, распределяющей максимальное давление в тормозных цилиндрах на каждой оси в соответствии с нагрузкой, что существенно повышает безопасность экстренного торможения.

Аббревиатуры электросхем на Ниссан Максима

a/t Автоматическая трансмиссия
abs Система антиблокировки тормозов
acc Ускорение (темпостат)
acc, accy Положение ключа зажигания при стоянке
с включенными приборами
acrly Реле кондиционера воздуха
ascd Система автоматического контроля скорости
b/l Подача воздуха на уровень ног
baro (Датчик) барометрического давления
bcm Кузовной модуль управления (см. Разд. Передача управления функционированием бортовых потребителей электроэнергии по коммутируемым линиям)
d Вниз
def Размораживание стекол
dlc Диагностический разъем считывания базы данных
dohc Тип двигателя с двумя распределительными
валами верхнего расположения
drl Ходовые огни светлого времени суток
eccs Система электронного впрыска топлива
ecm Блок управления двигателем (бортовой процессор)
ect Датчик температуры охлаждающей жидкости
двигателя
egr (Система) рециркуляции отработавших газов
evap Система улавливания топливных испарений
f/d Подача воздуха на уровень лица
ficd Системы стабилизации оборотов быстрого
холостого хода
head Головные (фары)
iac (Клапан) стабилизации оборотов холостого хода
iacv-ficd Клапан дополнительного воздуха системы
стабилизации оборотов быстрого холостого хода
iat (Датчик) температуры всасываемого воздуха
int Интервальный режим функционирования
стеклоочистителей
lo, low Нить ближнего света лампы накаливания
m/t Ручная коробка переключения передач
maf (Датчик) измерения массы воздушного потока
map (Датчик) абсолютного давления во впускном трубопроводе
n Нейтральное (среднее) положение переключателя
o/d Повышающая передача (АТ)
off Положение «Выключено” переключателя (замка
зажигания)
on Положение «Включено” переключателя (замка
зажигания)
only Только
park Положение парковка
pos Датчик pos положения коленчатого вала
(см. Раздел Проверка состояния и замена датчика положения коленчатого вала (СКР))
psp (Датчик-выключатель) давления системы
гидроусиления руля
ref Датчик ref положения коленчатого вала
(см. Раздел Проверка состояния и замена датчика положения коленчатого вала (СКР))
run Положение замка зажигания при заведенном
двигателе
sohc Тип двигателя с одним распределительным валом
верхнего положения
srs Система дополнительной безопасности (подушки
безопасности)
start Положение замка зажигания при запуске двигателя
tcs Антипробуксовочная систем
tps Датчик положения дроссельной заслонки
u Вверх
unlock Разблокировка
vss Датчик скорости движения автомобиля
Русские
l-зонд Датчик содержания кислорода
АТ Автоматическая трансмиссия
ГРМ Газораспределительный механизм
Д/В и Д/Выключ Датчик-выключатель
К/В Кондиционер воздуха
К/П Клапан-переключатель
М/выкл. Микровыключатель
П/П Полупроводниковый прибор
РКПП Ручная коробка переключения передач
С/бл Соединительный блок (разъем)
Э/М и Э/магн. Электромагнитный
Э/мотор Электромотор

 Схема системы запуска и заряда на Nissan Maxima QX, по годам

1993 — 1994, 1995-1998, 1999 г.г.




Головные и противотуманные фары — электросхема

1993 — 1994, 1995-1999 г.г.



Электросхема огней заднего хода и указателей поворотов 1993 — 1994 г.г.



Наружные осветительные и сигнальные приборы — схема электрооборудования 1995-1999 г.г.



Электросхема привода стеклоподъемников  1993 — 1994, 1995 — 1996, 1997-1999 г.г.




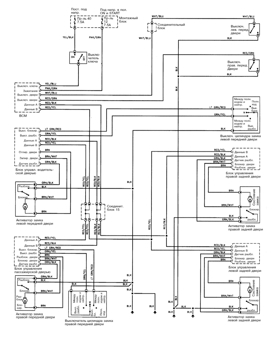
Электрооборудование — схема единого замка на Nissan Maxima QX по годам

1993 — 1994, 1995 — 1996, 1997-1999 г.г.





Схема системы внутреннего освещения

1993 — 1994, 1995-1997




Схема системы климат-контроля на Ниссан Максима