Представляем вашему вниманию схемы элетрооборудования на Mercedes-Benz W163 1997-2005 г.в. Стандартная тормозная система — гидравлическая, двухконтурная с вакуумным усилителем. Тормозные механизмы всех колес — дисковые. Применен ножной привод стояночного тормоза. В приводе рулевого управления использована гидроусиленная реечная передача с клапанным входным узлом и двумя поперечными рулевыми тягами, гидроусиление организовано по чувствительной к скорости движения автомобиля схеме (SPS), что позволяет существенно облегчить «рулежку» при парковках, а также повышает безопасность управления при движении с высокими скоростями.
Система усиления тормозов (ML 430) — схема
Вентилятор системы охлаждения (ML 430) — электросхема
Схема противоугонной системы с дополнительной сиреной (ML 430)
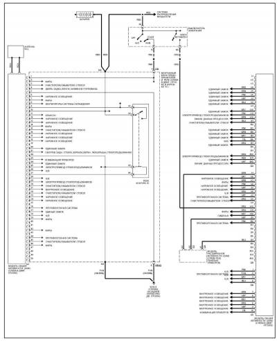
Модуль общей активности (AAM) (ML 430) — схема на Mercedes-Benz W163
Линии данных процессора (ML 430) — эл.схема
Темпостат (ML 430) — электросхема на Мерседес Бенц 163
Электросхема обогрева стекол (ML 430)
Огни заднего хода (ML 430) — эл.схема
Путевой компьютер (ML 430) — схема на Mercedes-Benz W163
Эл.схема обогрева водительского сиденья (ML 430) на Мерседес Бенц 163
Регулировка фар (ML 430) — электросхема
Электросхема клаксона (ML 430) на Mercedes-Benz W163
Фары (ксенон) (ML 430) — схема
Комбинация приборов (ML 430) — эл.схема
Схема освещения салона при открывании дверей (ML 430)
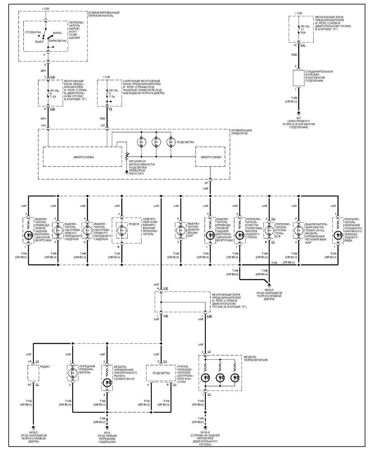
Подсветка приборов (ML 430) — эл.схема на Mercedes-Benz W163
Электросхема привода дверных замков (ML 430)
Система заряда (ML 430) — схема на Мерседес Бенц 163




















