Более поздняя версия Mazda 626 1991-1998 г.в. и электросхемы на её оборудование. Двигатели, ставившиеся на серию GC, различаются по индексу. Самый распространенный — FE. Он включал целое семейство двигателей объемом 2 литра (точнее — 1998 куб. см), различавшихся количеством клапанов и системой питания. Так, в серии FE с 1983 по 1987-й г.г. выпускались двухлитровые карбюраторные движки без катализатора мощностью 101 л.с. (индекс 2000/FE). В 1986 г. индекс FE пополнился турбированным инжекторным двигателем 2.0i (FE-EGI) с катализатором и мощностью 120 л.с., ставившимся на пятидверные версии GT.
Обозначения цвета проводов
BLK – черный
YEL – желтый
GRN – зеленый
BLU – синий
RED – красный
WHT – белый
PNK – розовый
LT GRN – светло-зеленый
ORG – оранжевый
BRN – коричневый
VIO – фиолетовый
GRY – серый
Схема системы запуска двигателя и подзарядки аккумулятора
Система управления работой двигателя — электросхема
1. Реле вентилятора N1
2. Реле
3. Контактный разъем 01 4. Выключатель вентилятора
5. Реле вентилятора N2 и 3
6. Продувочный клапан
7. Вентиляционный клапан системы рециркуляции
8. Воздушный клапан системы холостого хода
9. Перепускной клапан
10.Вакуумный клапан системы рециркуляци
Фары головного света — схема на Mazda 626
Л1 – левая фара
Л2 – правая фара
Л3 – левый передний противотуманный фонарь
Л4 – правый передний противотуманный фонарь
Фонари заднего хода — эл.схема на Мазда 626
Л7 – правый фонарь
Л8 – левый фонарь
Л7 – правый фонарь
Л8 – левый фонарь
Эл.схема стеклоподъемника, на Mazda 626
Центральный замок и система дистанционного управления — схема
Схема системы освещения салона
Л31 – лампочки для чтения карт
Л32 – лампочки освещения салона
Л33 – лампочка освещения на правом козырьке
Л34 – лампочка освещения на левом козырьке
Л35 – лампочка освещения порожка левой передней двери
Л36 – лампочка освещения порожка правой передней двери
Внутренние осветительные приборы — схема
Датчики приборного щитка и сигнальные лампочки — эл.схема на Mazda 626
П1 – спидометр
П2 – сигнальная лампочка низкого уровня топлива
П3 – датчик уровня топлива
П4 – датчик температуры охлаждающей жидкости
П5 – тахометр
16 – генератор
17 – датчик передач
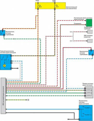
Схема системы круиз-контроля
16. Датчик передач
Стеклоочистители и омыватели лобового стекла — эл.схема
Печка и кондиционер (включая вентилятор охлаждения двигателя) — схема на Мазда 626
Стереосистема — электросхема на Mazda 626



















