Принципиальные электросхемы на Lexus RX300 1998 — 2003 г.в. Тормозная система – гидравлическая, двухконтурная с вакуумным усилителем. Тормозные механизмы всех колёс дисковые; передние тормозные диски вентилируемые. В отличие от вариантов для европейского рынка, на которых стояночный тормоз приводится рычагом, расположенным между сиденьями, на моделях для Америки применяется ножной привод стояночного тормоза. Базовая комплектация Lexus RX-300 весьма богатая, но и список дополнений к ней довольно большой, поэтому наиболее популярные дополнения сведены в два «пакета» — «Premium» и «Limited», — которые предусматривают наличие кожаной отделки салона, декорированной ореховым деревом, мощного фильтра системы вентиляции салона, а также высококлассной аудиосистемы Nacamichi. По заказу салон можно укомплектовать CD-чейнджером на 6 дисков и «неослепляющими» зеркалами.
Расположение точек заземления, узловых точек и разъёмов в двигательном отсеке
Расположение точек заземления указано (BI, BJ, BK, BL, BM, BN) и (IE, IF, IG, IH) и (EA, EA, EC, ED)
Расположение разъёмов (EA1, EB1, EC1) и узловых точек (E1 ÷ E14)
Списки точек заземления, узловых точек и разъёмов, сокращённые обозначения которых применены на схемахB1 В жгуте электропроводки кузова, у левой задней двери
B2 В жгуте электропроводки кузова, в левой передней двери
B3 – B6 В жгуте электропроводки кузова, за потолочной обивкой
B7 В жгуте электропроводки кузова, под правым задним сиденьем
B8 В жгуте электропроводки кузова, у двери задка
B9 В жгуте электропроводки кузова, в правой задней двери
B10 В жгуте электропроводки кузова, в верхней задней части автомобиля
B11 В жгуте электропроводки кузова, в правой передней двери
E1 – E14 См. иллюстрацию Расположение точек заземления, узловых точек и разъёмов в двигательном отсеке
I1 В жгуте электропроводки панели приборов, у левого порога
I2 – I5 В жгуте электропроводки панели приборов, в левой части панели приборов
I6 В жгуте электропроводки панели приборов, за центральной частью панели приборов
I7 В жгуте электропроводки панели приборов, в правой части панели приборов
I8, I9 В жгуте электропроводки панели приборов, в левой части панели приборов
I10 – I12 В жгуте электропроводки панели приборов, в правой части панели приборов
Точки заземления:
BI, BJ, BK, BL, BM, BN
EA, EA, EC, ED — См. иллюстрацию Расположение точек заземления, узловых точек и разъёмов в двигательном отсеке.
IE, IF, IG, IH
Разъёмы:
A1 (13-контактный) В основание левой передней стоки кузова
BB1 (13-контактный) В основание правой передней стоки кузова
BC1 (чёрный, 2-конт.) В левой задней части крыши
BC2 (12-контактный) В левой задней части крыши
BC3 (синий, 6-конт.) В левой задней части крыши
BD1 (18-контактный) Над левой задней ступичной сборкой
BE1 (17-контактный) Под сиденьем водителя
BF1 (17-контактный) Под сиденьем переднего пассажира
DLC №1, №3
EA1 (светло-серый, 4-контактный) См. иллюстрацию Расположение точек заземления, узловых точек и разъёмов в двигательном отсеке
EB1 (серый, 4-конт.) См. иллюстрацию Расположение точек заземления, узловых точек и разъёмов в двигательном отсеке
EC1 (серый, 17-конт.) См. иллюстрацию Расположение точек заземления, узловых точек и разъёмов в двигательном отсеке
IA1 (светло-серый, 12-контактный) У левого порога
IA2 (синий, 12-конт.) У левого порога
IB1 (10-контактный) У левого порога
IC1 (12-контактный) У левого порога
IC2 (синий, 9-конт.) У левого порога
ID1 (8-контактный) В левой части панели приборов
IE1 (20-контактный) У левой нижней панели обшивки
IE2 (10-контактный) У левой нижней панели обшивки
IE3 (4-контактный) У левой нижней панели обшивки
IF1 (10-контактный) У правого кронштейна панели приборов
IG1 (3-контактный) У правого кронштейна панели приборов
IH1 (серый, 20-конт.) За вещевым ящиком
II1 (26-контактный) У правого конца панели приборов
II2 (жёлтый, 2-конт.) У правого конца панели приборов
IJ1 (20-контактный) За вещевым ящиком
IK1 (оранжевый, 20-контактный) За вещевым ящиком
IK2 (13-контактный) За вещевым ящиком
IL1 (12-контактный) У правого порога
IL2 (синий, 9-конт.) У правого порога
IM1 (синий, 20-конт.) У правого порога
IM2 (18-контактный) У правого порога
IN1 (18-контактный) У левого кронштейна панели приборов
J/C №1 В двигательном отсеке, на правом крыле
J/C №2 В двигательном отсеке, за левой фарой
J/C №3, №4 За накладкой левого порога
J/C №5, №7 За левой верхней частью панели приборов
J/C №8, №10 За правой частью панели приборов
J/C №9 За накладкой правого порога
J/C №11, №12, №15 В левой части багажного отделения
J/C №13, №14 В левой части двери задка
J/C №16, №17 Под сиденьем водителя
J/C №18 Под сиденьем перденего пассажира
J/C Соединительный разъём
J/B Соединительный блок (предохранителей)
R/B Блок реле
HID Фары с газоразрядными лампами
Автоматическая трансмиссия — эл.схема
Электросхема блокировки переключения режимов АТ
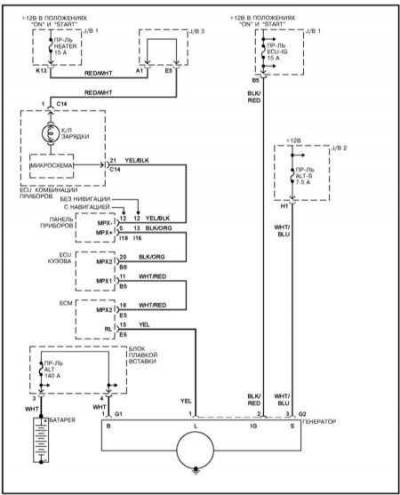
Схема системы заряда — на Лексус 300
Схема системы запуска — на Lexus RX300
Система ABS — электросхема
Темпостат — схема на Lexus RX300
Эл.схема вентиляторов системы охлаждения двигателя
Обогрев стёкол и зеркал — схема на Lexus RX300
Очиститель и омыватель ветрового стекла — эл.схема
Электросхема клаксона на Лексус 300
Эл.схема противоугонной системы на Lexus RX300
Натяжители ремней безопасности — схема
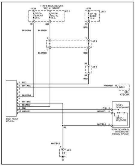
Схема электропривода крышки верхнего люка
Система SRS — схема
Схема системы безопасности
Подогрев сидений — эл.схема на Lexus RX300
Схема системы навигации




















