В данной статье, мы выложили всевозможные схемы электрооборудования на KIA Cerato с 2003 г.в. и младше. Создавая в сотрудничестве дизайнерских подразделений новый Kia Cerato, создатели учли пожелания самых требовательных клиентов. Вид спортивного облика сохранен, но теперь еще больше внимания уделено элегантности и выразительности. Характерное для всех моделей Kia, разработанных под руководством Питера Шраера, фирменное решение дизайна радиаторной решетки «пасть тигра» — делает Cerato однозначно узнаваемым и подчеркивает его принадлежность к марке, а стремительные линии кузова исполнены в популярной в наши дни стилистике «спортивного купе».
Схема системы пуска и зарядки
Электросхема управления двигателем и коробкой передач
Эл.схема блока управления дизельным двигателем
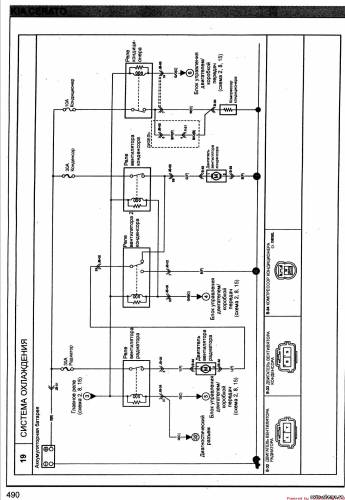
Схема системы охлаждения
Электросхема комбинации приборов и контрольных ламп
Эл.схема задних противотумааных фонарей и корректора света фар
Схема указателей поворота и аварийной световой сигнализации
Электросхема звукового сигнала, стоп-сигнала, света заднего хода и блока ЕСМ
Эл.схема стеклоподьемников с электроприводом
Схема зеркала с электроприводом




















