Электрическая схема на оборудывание для Kia Rio 2000 г.в. Вместе с комфортом новый Rio дарит своему владельцу уверенность и спокойствие, поскольку эта модель оснащена всеми мыслимыми современными системами безопасности: системой ABS, программой курсовой устойчивости, двойными передними, боковыми и верхними подушками безопасности. Увеличенное расстояние между задней и передней осями и колесами каждой оси обеспечивают дополнительную устойчивость при движении. А независимая передняя и полузависимая задняя подвески дают возможность мягкой и комфортной езды даже при неровном дорожном покрытии.
Электрические схемы на Киа Рио — общие сведения
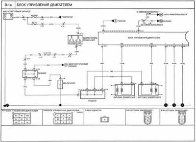
Электросхема блока управления двигателем на
Kia Rio
Схема системы охлаждения
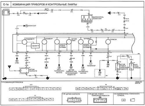
Комбинация приборов и контрольные лампы — электросхема
Схема стеклоочистителей и стеклоомывателей на Киа Рио
Заднее освещение — схема
Эл.схема передних противотуманных фар
Задние противотуманные фонари, корректор света фар (HLLD) — схема
Электросхема звукового сигнала и блока аварийной световой сигнализации
Схема лампы заднего хода и стоп-сигнала на Киа Рио
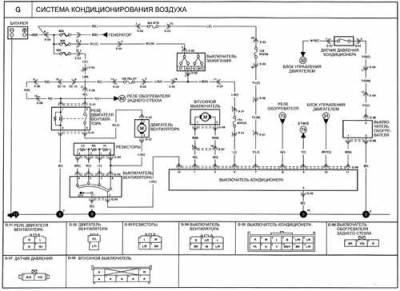
Система кондиционирования воздуха — эл.схема
Радиоприемник на Киа Рио — схема
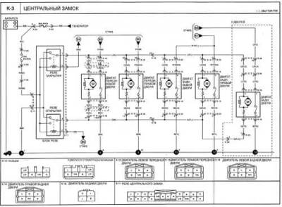
Центральный замок — эл.схема на Kia Rio




















