В данной статье представлены схемы электрооборудования на Volkswagen Passat B3 1988-1996 г.в. Третье поколение Volkswagen Passat B3, в отличие от предшественника, выпускавшегося в 4 модификациях (3- и 5-дверный хэтчбек, 4-дверный седан и 5-дверный универсал), было представлено лишь седаном и универсалом Variant. У Passat B2 с кузовом седан было собственное имя – Santana. В генерации B3 создатели отказались от него, а вот универсал сохранил название Variant до сегодняшнего дня. Линейка силовых агрегатов Passat B3 включала 9 бензиновых двигателей: восемь 4-цилиндровых объемом 1,6 л (72 л.с.), 1,6 л (75 л.с.), 1,8 л (75 л.с.), 1,8 л (90 л.с.), 1,8 л (107 л.с.), 1,8 л (139 л.с.) 16V, 2,0 л (115 л.с.), 2,0 л (136 л.с.) 16V и один 6-цилиндровый VR6 – 2,8 л (174 л.с.). Для приверженцев спокойной езды были предназначены 3 дизельных 4-цилиндровых мотора 1,6 л (70 л.с.) Turbo, 1,9 л (68 л.с.) и 1,9 л (75 л.с.). Автомобили Volkswagen Passat агрегатировались 5-ступенчатыми механическими КПП и 4-ступенчатыми автоматическими. Эти узлы очень надежны и при нормальной эксплуатации и своевременной замене масла (во всех коробках через каждые 60 тыс. км) способны прослужить достаточно долго.
Обозначения на электросхемах
А — аккумуляторная батарея
В — стартер
С — генератор
С1 – регулятор напряжения
D — замок зажигания
Е — переключатель освещения
Е1 – переключатель освещения
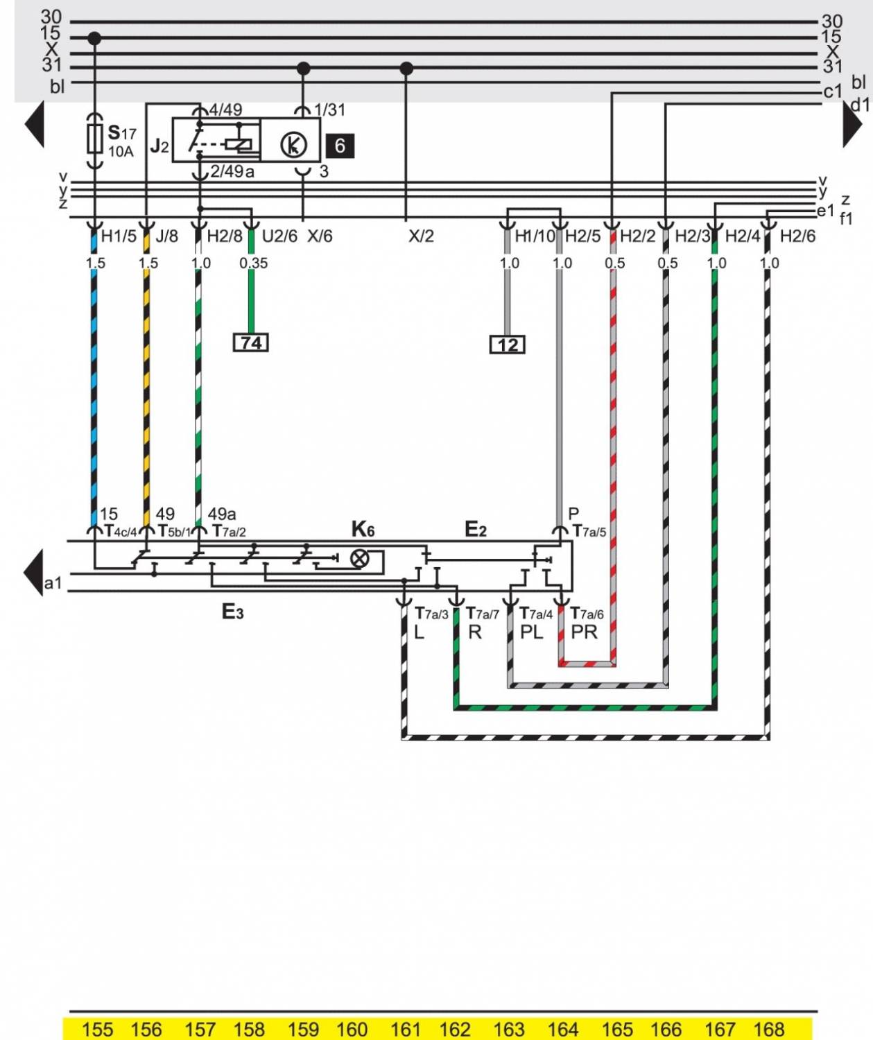
Е2 – переключатель указателей поворотов
ЕЗ — выключатель аварийной сигнализации
Е4 – выключатель фар и кратковременного включения дальнего света
Е9 – переключатель вентилятора отопителя
Е15 – выключатель обогревателя заднего
стекла
Е19 – выключатель габаритного освещения
Е20 – освещение панели приборов
Е22 – переключатель стеклоочистителя
Е23 – выключатель противотуманных фар
Е39 – выключатель блокировки электрического стеклоподъемника
Е40 – переключатель переднего левого стеклоподъемника
Е41 – переключатель правого стеклоподъ емника
Е43 – выключатель регулировки зеркала
Е48 – переключатель регулировки зеркала
Е52 – переключатель заднего левого стек лоподъемника
Е53 – переключатель заднего левого стек лоподъемника
Е54 – переключатель заднего правого стеклоподъемника
Е55 – переключатель заднего правого стеклоподъемника
Е81 – переключатель переднего правого стеклоподъемника
Е86 – кнопка переключения многофункционального индикатора
Е109 – выключатель памяти многофункционального индикатора
F – выключатель лампы стоп-сигнала
F1 – датчик давления масла
F3 – выключатель освещения салона в правой передней двери
F4 – выключатель лампы заднего хода
F5 – выключатель освещения багажника
F9 – выключатель контрольной лампы ручного тормоза
F10 – выключатель освещения салона в левой задней двери
F11 – выключатель освещения салона в правой задней двери
F18 – термодатчик включения вентилятора радиатора
F22 – датчик давления масла
F25 – выключатель дроссельной заслонки
F26 – выключатель пусковой подачи топлива
F34 – датчик низкого уровня тормозной жидкости
F35 – выключатель подогревателя впускного коллектора
F59 – выключатель центральной блокировки
F60 – выключатель режима холостого хода
F66 – датчик низкого уровня охлаждающей жидкости
F81 – выключатель полностью открытой дроссельной заслонки
F87 – термодатчик включения вентилятора
F93 – датчик давления масла
F114 – выключатель центральной блокировки на двери пассажира
F130 – датчик включения топливного насо са (давления)
F131 – передний левый исполнительный механизм центральной блокировки
F132 – задний левый исполнительный ме ханизм центральной блокировки
F133 – передний правый исполнительный механизм центральной блокировки
F134 – задний правый исполнительный механизм центральной блокировки
F166 – выключатель EGR
G — датчик уровня топлива
G1 – указатель уровня топлива
G2 – датчик температуры охлаждающей
жидкости
G3 – указатель температуры охлаждающей жидкости
G4 – датчик момента зажигания
G5 – тахометр
G6 – топливный насос
G8 – датчик температуры масла
G17 – датчик температуры поступающего в двигатель воздуха
G19 – потенциометр измерителя потока воздуха
G23 – топливный насос
G32 – датчик минимального уровня охлаждающей жидкости
G39 – лямбда-зонд с обогревателем
G40 – датчик Холла
G42 – датчик температуры воздуха
G54 – датчик скорости многофункционального индикатора
G55 – датчик давления многофункционального индикатора
G61 – датчик детонации 1
G62 – датчик температуры охлаждающей жидкости
G66 – датчик детонации 2
G68 – датчик скорости
G69 – потенциометр положения дроссельной заслонки
G74 – потенциометр регулировки содержания СО
G79 – датчик акселератора
G80 – датчик подъема иглы
G81 – датчик температуры топлива
G127 – потенциометр положения дроссельной заслонки
G149 – датчик модулятора
Н — кнопка включения звукового сигнала
H1 – двухтоновый звуковой сигнал
Н3 – зуммер датчика давления
Н11 – зуммер датчика давления
J2 – реле и индикатор сигнализации светом
J4 – реле звукового сигнала
J5 – реле противотуманных фар
J6 – стабилизатор напряжения
J17 – реле топливного насоса
J30 – реле заднего очистителя и омывателя
J31 – реле очистителя и омывателя ветро-
вого стекла
J59 – дополнительное реле
J81 – реле подогревателя впускного кол-
лектора
J88 – блок управления
J114 – блок сигнализации минимального
давления масла
J119 – многофункциональный индикатор
J120 – блок сигнализации минимального
уровня охлаждающей жидкости
J138 – реле включения вентилятора радиатора
J139 – реле включения электрических стеклоподъемников
J159 – блок управления стабилизации оборотов холостого хода
J169 – блок управления Digifant
J176 – питание блока управления Digifant
J202 – блок управления Mono-Jetronic
J206 – реле включения топливного насоса
J208 – реле включения обогревателя лямбда-зонда
J220 – блок управления Mono-Jetronic
J248 – блок управления системы прямого впрыска дизельного двигателя
J257 – блок управления Моnо-Motronic
J285 – блок управления с дисплейным бло-ком в комбинации приборов
J317 – реле подачи напряжения, контакт 30
J325 – реле отопителя
4338 – управление дроссельной заслонкой
J359 – реле отопителя
J360 – реле отопителя
J361 – блок управления Simos
J362 – иммобилайзер блока управления
J363 – реле подачи напряжения Simos
К1 – контрольная лампа включения даль-него света
К2 – контрольная лампа зарядки аккумулятора
КЗ — контрольная лампа давления масла
К4 – контрольная лампа включения габаритного освещения
К5 – контрольная лампа указателей поворотов
Кб — контрольная лампа аварийной световой сигнализации
К7 – контрольная лампа включения стояночного тормоза
К10 – контрольная лампа включения обогревателя заднего стекла
К13 – контрольная лампа включения задних противотуманных фонарей
К28 – контрольная лампа минимального уровня и температуры охлаждающей жидкости
К83 – контрольная лампа системы самодиагностики
К94 – контрольная лампа указателей поворотов
L1 – лампочка левой фары
L2 – лампа правой фары
L8 – лампа освещения часов
L9 – лампа переключателя освещения
LI 0 – лампы панели приборов
L15 – лампа освещения пепельницы
L16 – контрольная лампа
L28 – лампа освещения прикуривателя
L39 – лампа подсветки выключателя обогревателя заднего стекла
L40 – лампа подсветки выключателя противотуманных фар
L48 – лампа подсветки задней пепельницы
L53 – лампа подсветки переключателя электрических стеклоподъемников
L66 – лампа подсветки блока для кассет
L75 – цифровой индикатор
М1 – левые габаритные огни
М2 – правый задний фонарь
МЗ — правые габаритные огни
М4 – левый задний фонарь
М5 – передний левый указатель поворотов
М6 – задний левый указатель поворотов
М7 – передний правый указатель поворотов
М8 – задний правый указатель поворотов
М16 – левая лампа заднего хода
М17 – правая лампа заднего хода
М21 – левая лампа стоп-сигнала
М22 – правая лампа стоп-сигнала
N — катушка зажигания
N9 – нагреватель
N10 – датчик температуры
N17 – клапан холодного запуска
N23 – резисторы
N30 – топливная форсунка 1-го цилиндра
N31 – топливная форсунка 2-го цилиндра
N32 – топливная форсунка 3-го цилиндра
N33 – топливная форсунка 4-го цилиндра
N34 – резисторы инжектора
N35 – тяговое реле регулировки левого зеркала
N41 – блок управления TCI-H
N42 – тяговое реле регулировки правого
зеркала
N51 – подогреватель впускного коллектора
N65 – клапан отсечки
N70 – силовой блок системы зажигания
N71 – клапан стабилизации оборотов холостого хода
N73 – регулятор давления
N80 – электромагнитный клапан угольного фильтра
N113 – обогреватель сопел омывателя ветрового стекла
N 114 – клапан регулировки момента зажигания
N115 – электромагнитный отсечной клапан угольного фильтра
N123 – позиционер для повышения частоты вращения холостого хода
N146 – регулятор количества
N152 – катушка зажигания
N156 – клапан впускного коллектора
N157 – катушка зажигания
N161 – двухходовой клапан системы повторного сжигания отработанных газов
N165 – позиционер начала впрыска
О — распределитель зажигания
Р — наконечник свечи зажигания
Q — свеча зажигания
Q6 – свеча зажигания
Q7 – отопитель
S24 – предохранитель перегрева
S39 – плавкий предохранитель свечи накаливания
S43 – плавкий предохранитель электриче-ских стеклоподъемников
S78 – плавкий предохранитель насоса системы охлаждения
5104 – плавкий предохранитель вентилятора радиатора
5105 – плавкий предохранитель вентилятора радиатора
S109 – плавкий предохранитель отопителя
Т1 – одноконтактный электрический разъем
Т1а — одноконтактный электрический разъем
Т1b — одноконтактный электрический разъем за блоком реле
Т1с — одноконтактный электрический разъем за блоком реле
T1d — одноконтактный электрический разъем за блоком реле
Т1е — одноконтактный электрический разъем за блоком реле
T1f — одноконтактный электрический разъем
Т1g — одноконтактный электрический разъем
T1h — одноконтактный электрический разъем
T1i — одноконтактный электрический разъем за блоком реле
T1k — одноконтактный электрический разъем
T1I — одноконтактный электрический разъем в правом блоке
T1n — одноконтактный электрический разъем около левой фары
Т1о — одноконтактный электрический разъем по центру, за панелью приборов
T1r — одноконтактный электрический разъем за блоком реле
T1s — одноконтактный электрический разъем за блоком реле
T1t — одноконтактный электрический разъем по центру, под задним сидением
T1u — одноконтактный электрический разъем около катушки зажигания
T1v — одноконтактный электрический разъем за блоком реле
T1w — одноконтактный электрический разъем
Т1х — одноконтактный электрический разъем около катушки зажигания
Т2 – электрический разъем с 2 контактами
Т2а — электрический разъем с 2 контактами
Т2Ь — электрический разъем с 2- контактами
Т2с — электрический разъем с 2 контактами
T2d — электрический разъем с 2 контактами
Т2е — электрический разъем с 2 контактами по центру, под панелью приборов
T2f — электрический разъем с 2 контактами около левой фары
Т2g — электрический разъем с 2 контактами
Т2h — электрический разъем с 2 контактами
T2i — электрический разъем с 2 контактами слева за перегородкой моторного отсека,
T2m — электрический разъем с 2 контактами справа в багажнике
Т2х — электрический разъем с 2 контактами
Т2у — электрический разъем с 2 контактами
T2z — электрический разъем с 2 контактами
ТЗ — электрический разъем с 3 контактами
ТЗа — электрический разъем с 3 контактами
ТЗb — электрический разъем с 3 контактами около передней лампы освещения салона
ТЗс — электрический разъем с 3 контактами на левой передней стойке
T3d — электрический разъем с 3 контактами справа в моторном отсеке
ТЗе — электрический разъем с 3 контактами
T3f — электрический разъем с 3 контактами
ТЗg — электрический разъем с 3 контактами
ТЗh — электрический разъем с 3 контактами
T3i — электрический разъем с 3 контактами слева в моторном отсеке
T3m — электрический разъем с 3 контактами на двери водителя
ТЗn — электрический разъем с 3 контактами
ТЗр — электрический разъем с 3 контактами на двери переднего пассажира
T3q — электрический разъем с 3 контактами на двери переднего пассажира
Т4 – электрический разъем с 4 контактами около выпускного коллектора
Т4а — электрический разъем с 4 контактами слева в багажнике
Т4с — электрический разъем с 4 контактами за кожухом рулевой колонки
T4d — электрический разъем с 4 контактами под кожухом рулевой колонки
Т4е — электрический разъем с 4 контактами около левой фары
T4f — электрический разъем с 4 контактами
Т5 – электрический разъем с 5 контактами слева за перегородкой моторного отсека
Т5а — электрический разъем с 5 контактами слева за перегородкой моторного отсека
Т5b — электрический разъем с 5 контактами за кожухом рулевой колонки
Т5с — электрический разъем с 5 контактами за кожухом рулевой колонки
Т5е — электрический разъем с 5 контактами
Т6а — электрический разъем с 6 контактами
Т6b — электрический разъем с 6 контактами
Т6е — электрический разъем с 6 контактами слева от перегородки
Т6m — электрический разъем с 6 контактами в центральной стойке
Т6n — электрический разъем с 6 контактами в центральной стойке
Т7а — электрический разъем с 7 контактами за кожухом рулевой колонки
Т8 – электрический разъем с 8 контактами для радиоприемника
Т8а — электрический разъем с 8 контактами
T8b — электрический разъем с 8 контактами
Т8с — электрический разъем с 8 контактами
Т12 – электрический разъем с 12 контактами
Т16 – электрический разъем с 16 контактами
Т28 – электрический разъем с 28 контактами на комбинации приборов
Т38 – электрический разъем с 38 контак-тами
Т68 – электрический разъем с 68 контактами
TV2 – контакт 30
TVS — контакт 15а
TV13 – разъем сигнала скорости
U1 – подсветка прикуривателя
V — двигатель стеклоочистителя
V2 – вентилятор отопителя
V5 – насос омывателя ветрового стекла
V7 – вентилятор радиатора
V12 – двигатель стеклоочистителя
V14 – двигатель левого стеклоподъемника
V15 – двигатель правого стеклоподъемника
V17 – двигатель регулировки левого зеркала
V25 – двигатель регулировки правого зеркала
V26 – двигатель заднего левого стеклоподъемника
V27 – двигатель заднего правого стеклоподъемника
V59 – насос омывателя
V60 – механизм положения дроссельной заслонки
V69 – насос центральной блокировки
W3 – лампа освещения багажника
W6 – лампа освещения перчаточного ящика
W11 – левая задняя лампа освещения салона
W12 – правая задняя лампа освещения салона
W15 – лампа освещения салона
Х — лампа освещения номерного знака
Y2 – цифровые часы
Y4 – регистратор поездки
Z1 – обогреватель заднего стекла
Z4 – подогреватель левого зеркала
Z5 – подогреватель правого зеркала
Z20 – обогреватель сопел омывателя ветрового стекла
Z21 – правый обогреватель сопел омывателя ветрового стекла
Базовая комплектация электрооборудования на Volkswagen Passat B3




















