Для всех автовладельцев, а так же для автосервисов предоставляем схемы электрооборудования на Volkswagen Golf IV 1997-2005 г.в. Для того чтобы вы в полной мере оценили всю стратегическую важность новой, пятой модели VW Golf, можем сообщить: во всем мире 35% от общего количества эксплуатируемых «Фольксвагенов» составляют именно «Гольфы». В Германии эта цифра еще выше — там доля модели Golf в общем количестве автомобилей марки Volkswagen составляет вообще 45%! Последний, точнее, уже предпоследний VW Golf четвертого поколения, выпускавшийся с 1997 по 2003 год, был распродан в количестве 4,3 миллиона экземпляров. Предшествовавший ему «третий» Golf был выпущен в количестве 4,8 миллиона экземпляров, а невероятно популярный «второй» VW Golf так и вовсе разошелся тиражом в 6,3 миллиона автомобилей. Общее же количество произведенных за почти два десятилетия «Гольфов», как уже было сказано выше, перевалило за 22 миллиона! И это только тех моделей, которые продавались под названием «Гольф» — седаны Jetta, Vento и Bora в расчет не брались!
Условные обозначения элементов на схемах
Символы на электросхемах
1 – место расположения реле. Цифра 12 обозначает место расположения реле на блоке.
2 – обозначение блока или элемента. Обозначение блока или элемента приведены в спецификации.
3 – обозначение предохранителя. Например: Предохранитель 19 с током защиты 10 А.
4 – обозначение контактов. Например: Контакт 3/49а. 3 – контакт 3 реле 12 на блоке реле.
5 – обозначение контактов на блоке реле. А13 обозначает контакт 13 разъема А.
6 – сечение провода в мм2.
7 – цвет провода. Цвета провода приведены на электрических схемах. 8 – обозначение контакта.
9 – блок или элемент.
10 – Обозначение блока или элемента и его номер.
11 – продолжение электропроводки. Номер в прямоугольнике указывает на электрическую цепь к которой подсоединяется данный провод.
12 – внутренние соединения.
13 – продолжение электропроводки внутреннего соединения.
14 – обозначение точки заземления.
15 – блок реле и предохранителей.
16 – внешние соединения.
17 – номера координат. Предназначены для облегчения поиска узлов на схемах.
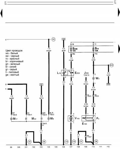
Аккумулятор, замок зажигания и реле перегрузки для Х-контакта — схема
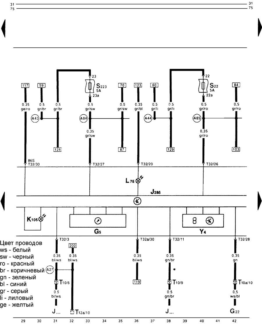
Комбинация приборов и безопасность движения — электросхема
Комбинация приборов, тахометр, тахограф — эл.схема
Комбинация приборов, контроль затянутого рычага ручного тормоза, предупредительный контакт для уровня тормозной жидкости, контрольные лампы поворотов, дальнего света фар, противотуманного фонаря и цифровые часы на Фольксваген Гольф
Переключатель указателей поворотов (переключатели рулевой колонки), выключатель затемнения и сигнала светом, выключателя габаритного освещения, передние и левые лампы — схема
Выключатель аварийной световой сигнализации с реле поворотов, передние и правые лампы — эл.схема
Выключатель стоп-сигнала, стоп-сигнал, противотуманный фонарь, левый фонарь заднего хода, задний левый габаритный свет на Volkswagen Golf IV
Задний правый габаритный свет, стоп-сигнал, правый фонарь заднего хода, фонарь освещения багажника, разблокирование крышки топливозаливной горловины — электросхема
Диагностика, радиоприемник, прикуриватель — схема на Фольксваген Гольф
Схема переключателя освещения на Volkswagen Golf IV
Двухтональный звуковой сигнал, подсветка вещевого ящика, фонарь освещения номерного знака — эл.схема
Корректор света фар, исполнительный двигатель корректора света фар — электросхема
Выключатель вентилятора отопителя и рециркулируемого воздуха, вентилятор отопителя, исполнительный двигателя рециркулируемого воздуха — схема
Обогреватель заднего стекла, двигатель очистителя заднего стекла, насоса стеклоомывателя переднего и заднего стекла — схема на Фольксваген Гольф
Выключатель стеклоочистителя, двигатель стеклоочистителя — эл.схема
Передний плафон, лампа для чтения левая задняя, сигнальный фонарь левой двери — электросхема
Лампа для чтения правая задняя, сигнальный фонарь правой двери — схема
Схема стартера и генератора на Volkswagen Golf




















