Схема автомобиля — Нива Шевролет

В этой статье вы найдете все цветные схемы электрооборудования на Chevrolet Niva с 2009 г.в.  Chevrolet NIVA — автомобиль с постоянным механическим полным приводом. Внедорожный арсенал включает в себя понижающую передачу и принудительную блокировку межосевого дифференциала. Благодаря этому Chevrolet NIVA всегда готова к покорению серьезного бездорожья и уверенно чувствует себя на любом дорожном покрытии.

Схема соединений переднего жгута проводов

Электросхема соединений жгута проводов системы управления двигателем

Соединение жгута проводов панели приборов — эл.схема

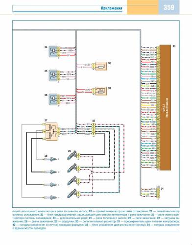
Схема соединений заднего жгута проводов на Нива Шевролет с 2009 г.в.

Эл.схема соединений жгута проводов левой и правой передних дверей

Электросхема соединений жгута проводов: левой и правой задних дверей, двери багажного отделения и обогрева сидений

Схема контактов эл,разьемов

Схема соединений монтажного блока предохранителей и реле