Более старая модель BMW 3 1983-1994 года выпуска, эл.схемы к ней. Большинство старших моделей E30 (320i, 323i, 325i) использовали замечательный шестицилиндровый двигатель M20, деля его с «пятерками» тех же лет. В том числе выпускалась (только в США) и экономичная модель 325e с низкооборотным 2.7-литровым M20/ B27eta. Однако на поздних 325iS появился новый M50 с 24-мя клапанами. Редкая Южноафриканская модель 333i использовала двигатель M30 «big six» с 5/ 6/ 7 серий. Также выпускались машины с дизельным двигателем M21 (6 цилиндров, 2.4 литра) с турбонаддувом и без. Дисковые задние тормоза ставились только на 318iS, все 325 модели и на M3. ABS стандартно устанавливалась только на 325e, 325iS и на M3. Опционально присутствовала на поздних выпусках моделей 320i, 325i и 333i. Некоторые старшие модели (325, M3) оснащены антипробуксовочной системой (дифференциал с ограниченным проскальзыванием) с коэффициентом 25%. Для проверки: номер такого дифференциала заканчивается буквой ‘Z’.
Обозначения цвета изоляции проводов и др. на эл.схемах, для БМВ 3
BK – черный
BL – синий
BR – коричневый
GE – желтый
GN – зеленый
GR – зеленый или серый
GY – серый
OR – оранжевый
PK – розовый
R – красный
RS – розовый
RT – красный
SW – черный
TN – желто-коричневый
V – фиолетовый
VI – фиолетовый
W – белый
WS – белый
Y – желтый
Фары/ задние фонари — схема
1. Левый плафон освещения салона
2. Правый плафон освещения салона
3. Лампа дальнего света левой фары
4. Лампа дальнего света правой фары
5. Лампа ближнего света левой фары
6. Лампа ближнего света правой фары
7. Лампа противотуманного света левой фары
8. Лампа противотуманного света правой фары
9. Лампа подсветки пепельницы
10. Реле дальнего света фар
11. Реле ближнего света фар
12. Реле противотуманного света фар
13. Контрольная лампа приборов освещения
14. Реле ближнего света левой фары
15. Реле ближнего света правой фары
16. Добавочный резистор
17. Добавочный резистор
18. Переключатель дальнего/ ближнего света фар 19. Концевой выключатель левой передней двери
20. Концевой выключатель правой передней двери
21. Выключатель заднего противотуманного света
22. Выключатель переднего противотуманного света
23. Выключатель ближнего света фар
24. Регулятор подсветки щитка приборов и выключатель передних противотуманных фар
25. Концевой выключатель левой задней двери
26. Концевой выключатель правой задней двери
27. Лампа противотуманного света левого заднего фонаря
28. Лампа противотуманного света правого заднего фонаря
Блок диагностики; сигнал заднего хода, торможения; электропривод зеркал — схема на
BMW 3
1. Блок диагностики
2. Лампа габаритного света левого
заднего фонаря
3. Лампа габаритного света правого
заднего фонаря
4. Лампа света заднего хода правого фонаря
5. Лампа света заднего хода левого фонаря
6. Лампа правого плафона подсветки номерного знака
7. Лампа левого плафона подсветки номерного знака
8. Блок дополнительного сигнала торможения
9. Лампа сигнала торможения левого
заднего фонаря
10. Лампа сигнала торможения правого заднего фонаря
11. Блок включения/ выключения ламп
12. Переключатель ламп света заднего хода 1
13. Переключатель ламп света заднего хода 2
14. Переключатель задних фонарей и плафона подсветки номерного знака
15. Выключатель сигнала торможения
16. Датчик уровня жидкости в бачке стеклоомывателя
17. Датчик уровня жидкости в системе охлаждения двигателя
18. Датчик уровня масла в двигателе
19. Переключатель привода зеркал заднего вида
20. Электродвигатель привода зеркала заднего вида
21. Электродвигатель привода зеркала заднего вида (дополнительный)
Эл.схема щитка приборов и прикуривателя
a – контрольная лампа стояночного тормоза
b – контрольная лампа уровня тормозной жидкости
c – контрольная лампа давления масла
d – главная контрольная лампа
e – контрольная лампа очередного технического обслуживания
f – контрольная лампа износа тормозных колодок
g – указатель температуры охлаждающей жидкости
h – контрольная лампа резерва топлива
i – указатель уровня топлива
j – тахометр
k – эконометр
l – контрольная лампа левого указателя поворота
m – контрольная лампа правого указателя поворота
n – спидометр
o – контрольная лампа дальнего света
фар
p – контрольная лампа передних противотуманных фар q – контрольная лампа задних противотуманных фар
r – контрольная лампа заряда аккумуляторной батареи
s – подсветка щитка приборов
1. Щиток приборов
2. Выключатель сигнала стояночного тормоза
3. Датчик уровня тормозной жидкости
4. Датчик давления масла
5. Датчик текпературы охлаждающей жидкости
6. Датчик износа тормозных колодок правого заднего колеса
7. Датчик износа тормозных колодок левого переднего колеса
8. Датчик уровня топлива 1
9. Датчик уровня топлива 2
10. Датчик спидометра
11. Прикуриватель
12. Подсветка панели управления отопителем
Схема системы управления двигателем Motronic на БМВ 3
1. Электронный блок управления двигателем
2. Блок управления частотой вращения коленчатого вала
3. Разъем датчика температуры
4. Разъем кондиционера
5. Разъем подключения к жгуту проводов трансмиссии
6. Датчик положения дроссельной заслонки
7. Измеритель расхода воздуха
8. Датчик частоты вращения коленчатого вала
9. Датчик момента зажигания
10. Реле 1
11. Реле 2
12. Датчик давления масла
13. Датчик температуры электронного блока управления двигателем
14. Диагностический разъем
15. Распределительная колодка
16. Аккумуляторная батарея
17. Свечи зажигания
18. Распределитель зажигания
19. Катушка зажигания 20. Стартер
21. Генератор
22. Позиционный датчик
23. Разъем (на автомобилях АКПП отсоединен)
24. Датчик температуры охлаждающей жидкости
25. Топливная форсунка
26. Соленоид
27. Распределительная колодка
28. Разъем подключения датчика давления масла
29. Разъем подключения датчика температуры
30. Разъем подключения топливного насоса
31. Разъем подключения контрольной лампы очередного технического обслуживания
32. Привод
33. Контактный датчик температуры
Эл.схема системы круиз-контроля
1. Контактный разъем
2. Переключатель рулевой колонки
3. Щиток приборов
4. Разъемы указателя положения селектора автоматической коробки передач
5. Контрольная лампа положения D селектора АКПП
6. Контрольная лампа положения N селектора АКПП
7. Контрольная лампа положения R селектора АКПП
8. Разъем спидометра
9. Разъем 2-контактный на щитке приборов
10. Разъем переключателей рулевой колонки
11. Разъем (специальный)
12. Переключатель рулевой колонки 13. Разъем (задняя часть ведет к центральной чати)
14. Выключатель сигнала торможения
15. Разъем электропривода
16. Разъем блокирующего переключателя сцепления
17. Лампа сигнала торможения левого фонаря
18. Лампа сигнала торможения правого фонаря
19. Блок управления круиз-контролем
20. Электропривод круиз-контроля
21. Перемычка (только на автомобилях с АКПП)
22. Блокирующий переключатель сцепления
Схема центрального замка, охранной сигнализации, бортового компьютера
1. Контактный разъем
2. Контактный разъем для подключения вспомогательного оборудования
3. Контактный разъем блока управления центральным замком
4. Блок управления центральным замком (торцевая плата на передней стойке кузова)
5. Контактный разъем провода от замка
двери водителя
6. Разъем 13-контактный от блока управления
центральным замком к проводке двери водителя
7. Контактный разъем от блока управления
центральным замком к проводке двери пассажира
8. Контактный разъем от проводкм замка
двери водителя к переключателю
9. Переключатель центрального замка/
стопорныймеханизм (смонтирован на замке
двери водителя)
10. Разъем 6-контактный электропривода
замка двери водителя
11. Электропривод замка двери водителя
12. Контактный разъем микропереключателя
замка двери пассажира
13. Микропереключатель замка двери пассажира
14. Контактный разъем электропривода замка двери пассажира
15. Электропривод замка двери пассажира
16. Разъем 6-контактный электропривода замка крышки багажника
17. Электропривод замка крышки багажника
18. Разъем 6-контактный электропривода замка заливной горловины бака
19. Электропривод замка заливной горловины бака
20. Контактный разъем электропривода замка задней левой двери
21. Электропривод замка задней левой двери
22. Разъем 6-контактный электропривода замка задней правой двери
23. Разъем 7-контактный проводки задней
правой двери
24. Разъем 7-контактный проводки задней левой двери
25. Электропривод замка задней правой двери
26. Переключатель обогревателя заднего стекла
27. Блок управления охранной сигнализацией (слева на рулевой колонке)
28. Разъем 26-контактный блока управления охранной сигнализацией
29. Разъем 4-контактный проводки монтажного блока реле
30. Разъем 4-контактный блока управления охранной сигнализацией
31. Контактный разъем главного
жгута проводов
32. Светодиод охранной сигнализации
33. Контактный разъем освещения багажного отделения
34. Лампа освещения багажного отделения
35. Концевой переключатель передней левой двери
36. Концевой переключатель передней правой двери
37. Концевой переключатель задней
левой двери
38. Концевой переключатель задней
правой двери
39. Концевой переключатель багажного
отделения
40. Концевой переключатель капота
41. Обогреватель заднего стекла
42. Контактный разъем проводки бортового компьютера/ охранной сигнализации
43. Звуковой сигнал
44. Контактный разъем светодиода
45. Диод
46. Контактный разъем проводки охранной сигнализации/ центрального замка 47. Звуковая сигнализация (слева на рулевой колонке)
48. Контактный разъем звуковой сигнализации
49. Контактный разъем проводки системы управления двигателем L-Jetronic
50. Замок зажигания
51. Дистанционный переключатель бортового компь.тера
52. Контактный разъем провода от датчика температуры окружающего воздуха к бортовому компьютеру
53. Контактный разъем провода к датчику температуры окружающего воздуха
54. Датчик температуры окружающего воздуха
55. Контактный разъем провода дополнительного обогревателя наружной антенны
56. Блок управления обогревом припаркованного автомобиля (находится под правым сиденьем)
57. Контактный разъем блока управления
58. Реле обогревателя припаркованного автомобиля
59. Контактный разъем проводки бортового компьютера/ дополнительного обогревателя
60, 61. Контактный разъем проводки щитка приборов
62. Бортовой компьютер (находится справа на щитке приборов)
63. Контактный разъем бортового компьютера
64. Контактный разъем щитка приборов
65. Щиток приборов
66. Контактный разъем щитка приборов
67. Контактный разъем цифровых часов
68. Контактный разъем провода обогревателя
69. Контактный разъем проводки топливного насоса
70. Контактный разъем проводки обогревателя
71. Добавочный резистор обогревателя
72. Датчик температуры
73. Электродвигатель обогревателя
74. Выключатель обогревателя припаркованного автомобиля при перегреве
75. Вставка обогревателя припаркованного автомобиля
76. Блок обогревателя
77.Топливный насос
78. Контактный разъем дистанционного переключателя бортового компьютера
79. Контактный разъем регулятора громкости в зависимости от скорости
80. Контактный разъем провода круиз-контроля
81. Датчик уровня топлива
82. Датчик скорости
83. Разъем 4-контактный провода цифровых часов
84. Разъем 2-контактный провода цифровых часов
85. Цифровые часы
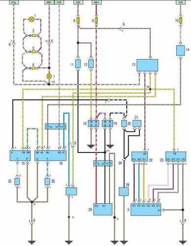
Эл.схема омывателя фар на BMW 3 (E30)
1. Блок управления омывателем фар (смонтирован на бачке)
2. Предохранитель (задние фонари)
3. Предохранитель (звуковой сигнал, блок управления очистителем/ омывателем ветрового стекла и очистителем фар)
4. Электродвигатель очистителя ветрового стекла
5. Переключатель
6. Насос омывателя фар
7. Насос для ускоренного омывания фар
8. Насос омывателя ветрового стекла
9. Контактный разъем провода очистителя фар/ передней секции 1 (насос омывателя) 10. Контактный разъем провода очистителя фар/ передней секции 2 (разъем очистителя)
11. Разъем соединения проводки передней и центральной секций
12. Контактный разъем электродвигателя стеклоочистителя
13. Разъем центральной секции проводки и переключателя очистителя
14. Электродвигатель очистителя ветрового стекла
15. Электродвигатель очистителя левой фары
16. Реле поочередной работы очистителя и омывателя
Схема электрических стеклоподъемников на БМВ 3
1. Разъем 6-контактный проводки двери водителя
2. Разъем 27-контактный проводки, соединяющий заднюю секцию со средней секцией
3. Разъем 13-контактный проводки стеклоподъемника и электропривода
замка в двери водителя
4. Разъем, соединяющий проводку стеклоподъемника и замка с колодкой для подключения специального оборудования
5. Переключатель стеклоподъемника
6. Переключатель стеклоподъемника задний левый
7. Переключатель стеклоподъемника задний правый
8. Разъем, соединяющий проводку левой задней двери с электродвигателем стеклоподъемника
9. Разъем, соединяющий проводку правой задней двери с электродвигателем стеклоподъемника
10. Электродвигатель стеклоподъемника задней левой двери
11. Электродвигатель стеклоподъемника задней правой двери 12. Разъем проводки левой задней двери
13. Разъем проводки правой задней двери
14. Аварийный выключатель
15. Блокирующий выключатель, исключающий включение стеклоподъемника детьми
16. Электродвигатель стеклоподъемника передней левой двери
17. Электродвигатель стеклоподъемника передней правой двери
18. Разъем электродвигателя стеклоподъемника передней левой двери
19. Разъем электродвигателя стеклоподъемника двери пассажира
20. Реле
21. Контактный раазъем проводки стеклоподъемника и замка в двери пассажира
22. Переключатель стеклоподъемника передний левый
23. Переключатель стеклоподъемника
24. Переключатель стеклоподъемника передний правый
Отопитель и кондиционер — эл.схема на БМВ 3
1. Подсветка рукояток управления отопителем
2. Светодиод III
3. Светодиод II
4. Светодиод I
5. Переключатель вентилятора отопителя (испарителя кондиционера)
6. Разъем 13-контактный, соединяющий
проводку отопителя с центральным жгутом проводов
7. Разъем, соединяющий переднюю секцию проводки с панелью управления отопителем
8. Предохранитель вентилятора отопителя
9. Предохранитель (включение 2-й скорости вентилятора)
10. Предохранитель цепей освещения салона, сигнала заднего хода, тахометра и привода зеркал, смонтирован на распределительной колодке
11. Датчик температуры вентилятора (91° С,
1 скорость)
12. Датчик температуры вентилятора (99° С,
2 скорость)
13. Переключатель кондиционера
14. Кран отопителя
15. Терморегулятор испарителя
16. Блок управления кондиционером (на панели управления отопителем) 17. Контактный разъем проводки дополнительного вентилятора
18. Реле 2-й скорости дополнительного вентилятора (смонтировано на распределительной колодке)
19. Реле первой скорости дополнительного вентилятора (смонтировано на распределительной колодке)
20. Датчик давления влагоотделителя
21. Не используется
22. Вентилятор радиатора отопителя
23. Вентилятор испарителя
24. Контактный разъем проводки датчика высокого давления влагоотделителя и электромагнитной муфты компрессора
25. Датчик температуры (смонтирован в испарителе)
26. Датчик температуры (смонтирован в отопителе)
27. Датчик температуры в салоне (находится слева под нижней декоративной панелью салона)
28. Электромагнитная муфта компрессора
29. Дополнительный вентилятор









